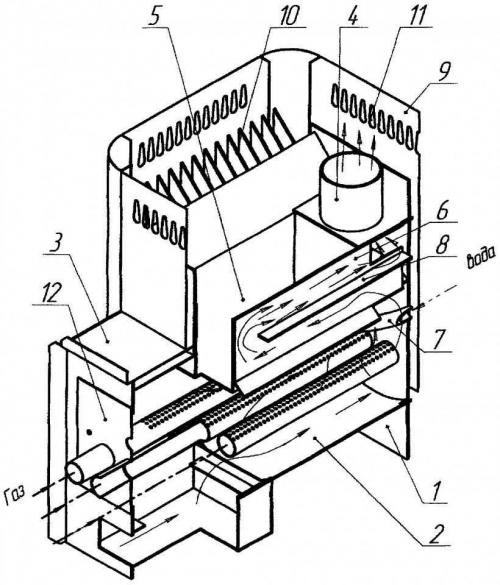
Чертежи банной печи из металла. Каменка и бак с водой
- Чертежи банной печи из металла. Каменка и бак с водой
- Металлическая печь для русской бани. Металлическая печь для бани своими руками: особенности печи из металла, проектирование и устройство, правила сооружения и отделки
- Металлическая печь для бани с закрытой каменкой своими руками. Печь из кирпича с закрытым типом каменки, дополненная баком под горячую воду
- Конструкции металлических печей. Плюсы и минусы металлических печей
- Банная печь Жара чертеж. Газовые печи для бани Жара
- Металлическая печь своими руками: чертежи. Изготовление буржуйки – пошаговая инструкция
Чертежи банной печи из металла. Каменка и бак с водой
- Над топкой необходимо сделать отдельную камеру с дверцей, которая будет отделяться решеткой.
- В нее помешают специальные камни для длительного поддержания температуры.
- При этом чертежи банной печи из металла рекомендуют делать закрывающее окно, которое можно использовать для подачи воды и создания пара.
- Необходимо отметить, что обычные камни для таких печей не подходят. Особенно это относится к материалу, содержащему кремний или другие включения.
- Верх данного отсека делают с отверстием для трубы. Она будет отводить дым, и при этом подогревать воду.

Принцип действия подобных печей
- Емкость для жидкости устанавливают сверху. При этом чертежи печей для бани из металла советуют, чтобы печная труба проходила через ее середину. Так вода будет нагреваться и от дымохода и от верхней поверхности банной каменки .
- Профессиональные мастера рекомендуют установить на низ такого бака кран. При этом нужно приобрести специальные устройства, цена которых может быть велика, но именно они смогут работать длительный срок в условиях постоянного перепада температуры.

Два варианта создания горизонтальных устройств
Отдельное внимание уделяют крышке емкости. Ее можно изготовить из древесины, но тогда нужно защитить область соприкосновения с дымоходом. При этом инструкция по монтажу советует делать в ней небольшие прорези для свободного выхода пара .
Совет! Подобную конструкцию обычно изготавливают из толстостенной трубы. Это помогает решить вопрос о дешевых материалах, поскольку такие изделия можно найти на пунктах приема вторсырья по сходной стоимости.

Металлическая печь для русской бани. Металлическая печь для бани своими руками: особенности печи из металла, проектирование и устройство, правила сооружения и отделки
Без печи русская баня перестает быть баней по умолчанию. Поэтому тематическое изделие не просто служит источником огня, оно также символизирует отечественную парную купальню.
Вопрос в том, из чего возводить печь – из кирпича или металла? Если ставка сделана на последний материал, то будущий пользователь вместо того чтобы купить металлическую печь для бани, может собрать ее самостоятельно. Соответствующий проект не требует много времени и средств.

Особенности банной металлической печи
Тематическое устройство в готовом виде представляет собой компактный источник огня, выполненный из низкоуглеродистой стали. Поэтому по сравнению с кирпичной печью металлический аналог:
- Требует минимум деталей и расходных материалов для сборки;
- Быстро собирается из готовых деталей;
- Не занимает много места;
- Быстро нагревается.

Однако металлическая печь не лишена недостатков: хоть стенки конструкции нагреваются меньше чем за час, они точно так же быстро остывают. Это делает конструкцию пригодной лишь для небольших бань площадью 8-10 кв.м.

Причем прежде чем устраивать металлическую печь, придется отделать деревянные стены огнестойким кирпичом или металлическим экраном, предварительно проложив минеральную вату между основой и защитой. И вообще металлический очаг лучше устраивать на 0,5-метровом расстоянии от пиломатериала.

Мощность металлической печи
Источник огня из металла в зависимости от размеров топки, толщины стен и прочих показателей вырабатывает определенную температуру – до 50 0С и выше. Поэтому металлическая печь бывает:
- Горячего нагрева – устройство нагревает воздух выше 50 0С;
- Холодного нагрева – нагрев воздуха происходит до 50 0С.

Последний вариант актуален, если баней будет пользоваться человек с больной сердечно-сосудистой системой или если сама баня очень маленькая. Первый вариант – традиционный.

Конструкция металлической печи
В отличие от кирпичной печи металлический источник жара достаточно универсален. Эта универсальность во многом проявляется за счет разнообразия конструкций:
- Закрытые модели – очень компактные, предусматривают решетку для укладки камней, а также внутреннюю камеру для заполнения огнестойким материалом, способствующим теплостойкости;
- Открытые аналоги – выделяются емкостью для набора воды и открытым доступом к каменке;
- Комбинированные устройства – сочетают в себе элементы двух предыдущих образцов.

Также к комбинированным печам часто относятся модели, работающие за счет газа или электричества. Соответственно, угольные и дровяные печи – преимущественно безопасные закрытые и удобные открытые модели.

Проектирование металлической печи
Тематическое устройство собирается на месте из уже готовых деталей. Представить, как будет выглядеть металлическая печь для бани с баком поможет чертеж, в котором обязательно надо соблюсти:
- Топку – для сгорания топлива (размеры подбираются в зависимости от площади бани, но высота и ширина отсека практически одинаковые);
- Зольник – для сбора золы (устраивается в самом низу и имеет выдвижной ящик для доступа к отходам);
- Каменку – для нагрева камней (отсек находится над топкой, причем бывает закрытым или открытым);
- Бак – для сбора воды (емкость располагается выше каменки или топки);
- Дымоход – для нагрева воды и отвода дыма (труба начинается с топки и выходит наружу, т.е. за пределы кровли).

Соответствующие отделы завершаются дверцами для закладки топлива и чистки топки, а также дополняются трубопроводом с соответствующими вентилями для подачи воды и улучшения воздушной тяги.

Устройство трубы
Хоть сгорание топлива происходит внутри каменки, без трубы металлическая печь наполнит внутреннее пространство гарью. Поэтому необходимость отвода дыма всегда актуальна для бани. Чтобы дымоход нагревал воду, должна быть тяга, которой способствуют:
- Вывод дымохода наружу таким образом, чтобы он возвышался над самой верхней точкой конструкции;
- Отсутствие поблизости высоких деревьев и прочих характерных объектов;
- Зонтик на конце трубы (дефлектор), который позволяет последней не намокать;
- Большой диаметр трубы – не менее 100 мм.

Причем труба может проходить сквозь бак для сбора воды, а сама емкость – находиться на чердаке. Главное, чтобы отверстия для дымохода на каждом уровне предусматривали огнеупорную базальтовую обшивку. Участок кровли с отверстием для вывода дымохода отделывается листом металла.
Если чертеж металлической печи для бани не предусматривает обшивку каменки стальными листами (конструкция идет открытой), то камни накладываются впритык к трубе.

В этом случае последнюю лучше устраивать в центре, чтобы как можно больше камней контактировало с горячей магистралью. В закрытых печах труба может располагаться как в центре, так и сбоку.

Металлическая печь для бани с закрытой каменкой своими руками. Печь из кирпича с закрытым типом каменки, дополненная баком под горячую воду
Такая модель — оптимальный вариант для частной бани большой по площади. Она рассчитана на поочередное проведение банных процедур нескольких семей.

Кирпичная печь с закрытой каменкой и боковым размещением бака для воды: 1 — водогрейный бак; 2 — печь; 3 — дымовая труба; 4 — камни; 5 — крышка каменки; 6 — отверстие для подачи воды; 7 — металлический свод; 8— экран; 9— колосниковая решетка; 10— дверка топки; 11 — дверка поддувала.
Количество необходимых камней для печки подсчитывают по формуле : на 1 куб. м парного помещения потребуется около 30 кг булыжников. Получается, для парной, объем которой 10 куб. м, понадобится не меньше 300 кг камней. Этот подсчет действует для печи из кирпича с периодическим циклом работы. Если же модель базируется на постоянном поддержании процесса горения, то масса камней уменьшается почти в 2 раза. Это объясняется тем, что процесс горения дров поддерживает тепло камней.
Рассмотрим вариант надежного, теплоемкого сооружения – кирпичной печи с каменкой закрытого типа. Для изготовления корпуса печи берется кусок от металлической трубы, полученный путем разрезания вдоль. Параметры трубы следующие: диаметр равен 40 см, длина – 60 см. Печная конструкция дополнена резервуаром для получения горячей воды, размещенным в боковой части сооружения.
Листы из стали навариваются на трубу. Сталь толщиною не меньше 5 мм. Эти листы выполняют опорную функцию при закладывании куска трубы внутрь печной кладки. Для обеспечения герметичности корпуса к торцу трубы с обеих сторон привариваются листы из металла. В месте примыкания дымохода к печному корпусу наваривается экран, выполненный из металла. Он будет предотвращать выход горячего воздуха через дымовую трубу.
С боковой стороны в печь с закрытой каменкой монтируется резервуар под горячую воду. Его параметры — 50 х 37 х 35 см, вместимость – 45 л. Для изготовления бака можно взять сталь толщиною от 5 до 10 мм, но обязательно сторону, соприкасающуюся с топкой выполнить из 10 мм стального листа.
Внутри печи для русской бани с закрытой каменкой сбоку монтируют трубу для дымохода, снабженную круглой заслонкой. Эта труба одним концом устанавливается на металлический бак, в кирпичной же кладке она фиксируется с помощью проволочных хомутов.
Вверху печной конструкции располагается каменка для бани, в которой размещают камни весом до 200 кг. Для каменки вверху предусматривается наличие крышки из оцинкованной жести. Ее можно приоткрывать, выпуская пар. Сбоку печи выполняется проем 20х25 см, в него плескается вода на камни для образования пара.
Предложенная модель печного оборудования универсальна: она может функционировать в режиме непрерывной топки, а также и периодического действия. Когда печь с закрытой каменкой работает в условиях постоянной закладки дров, то масса камней уменьшается вдвое.
Конструкции металлических печей. Плюсы и минусы металлических печей
Металл относится к прочным материалам, но он одновременно пластичен и податлив, что позволяет придать ему почти любую конструкцию. Он способен выдержать высокие нагрузки и перепады температур. Имеется немало методов обработки металлов, поэтому при изготовлении печей можно применять различные технологии.
Так как главным конкурентом металлических агрегатов на рынке отопительного оборудования являются кирпичные конструкции, сравнение технических характеристик будет между ними. Например, КПД печей из кирпича составляет около 70%. Что касается металлических изделий, то этот показатель у них достигает 83%, при этом они весят намного меньше и более доступные по цене.
Еще одним важным преимуществом печи для дома из металла считается цельность конструкции, поэтому ее можно без проблем перемещать и перевозить. С крупными сооружениями из кирпича это сделать невозможно.

По причине незначительного веса металлическим агрегатам не требуется обустройство отдельного прочного фундамента, а установка заключается только в возведении дымохода. В неотопительный период мобильное железное изделие можно переместить в подсобку или сарай и тем самым освободить пространство в помещении.
Металл, используемый в качестве материала изготовления агрегата, отличается высокой теплопроводностью, в результате чего он быстро нагревается, но и остывает аналогично. Такой обогрев способствует повышению КПД. В кирпичных печах сначала следует подождать, когда начнется внутренний теплообмен, а до этого в процессе протопки все полученное тепло уходит в дымоход.
Почти все преимущества металлических агрегатов основаны на особенностях этого материала – он достаточно плотный, не пористый, под воздействием конденсата не отсыревает как кирпичи. Им не опасны длительные перерывы в работе, они не нуждаются после простоев в разгонной протопке.
Металлические печи для дачи легче сертифицировать и на них проще оформить разрешение в пожарной инспекции, что позволит сэкономить и деньги, и время. В продаже встречаются модели, которым вообще не требуется согласование, а только установка автономного дымохода.

Но у металлических агрегатов имеются и недостатки:
- Они не «дышат», так как в отличие от кирпича металл не пористый материал. Кирпичная печь при остывании поглощает из воздуха влагу, а при нагревании отдает ее. В результате в помещении создается постоянный баланс влажности, обеспечивающий ощущение комфорта. Иногда металлические агрегаты облицовывают кирпичом, чтобы добиться аналогичного эффекта, но он получается не таким результативным, а конструкция теряет легкость и мобильность.
- Как уже говорилось, металл быстро нагревается и остывает, поэтому для поддержания тепла в доме, печку из него приходится топить постоянно, а иначе она через несколько часов полностью остынет. Решить данную проблему можно путем изготовления металлического агрегата длительного горения. Но в любом случае он является постоянным очагом, создающим риск возникновения пожара и угара, и по этой причине его нельзя надолго оставлять без присмотра.
- Основной минус металлических печей заключается в их пожароопасности. У них стенки при нагреве раскаляются до такой степени, что могут спровоцировать воспламенение предметов, отделочных материалов, напольного покрытия, расположенных в непосредственной близости от огня. Поэтому в МЧС не просто получить разрешение на использование железного агрегата в жилой постройке – для него придется обустроить отдельную котельную.
- Срок эксплуатации печки из металла для дома составляет до 20 лет. При частой эксплуатации даже толстый металл выгорает, в результате чего стенки изделия становятся тоньше. Но всего за десятилетие работы печь полностью окупает свою стоимость за счет сокращения расходов на топливо и возможности заменить агрегат без ремонта и перепланировки помещений.
Банная печь Жара чертеж. Газовые печи для бани Жара
Эти агрегаты выпускаются для отапливания помещений разного объема, могут быть выполнены с разной толщиной стенки топочной камеры, отличаться по весу, типу ГГУ (газо-горелочное устройство) и стоимости. Внешний вид и чертеж печи на фото.

Печь для бани «Жара», работающая на газу
МалюткаГаз — самая маленькая представительница этой серии банных печей. Она рассчитана на отопление парилки от 4 до 12 м3 и оснащена автоматическим ГГУ САБК-9 мощностью 15 кВт. Ее масса небольшая — 52 кг, габариты ШхГхВ 400х725х575 мм, толщина стенок топки 5 мм. Открытая каменка, куда помещается 100 кг камней.

Конструкция газовой банной печи «Жара»
Модели СтандартГаз и СуперГаз предназначены для отопления парилок от 10 до 24 м3 и оборудованы более мощным ГГУ САБК-10 на 30 кВт. Масса агрегатов 92 и 124 кг соответственно. Их технические характеристики представлены в таблице.
Внимание ! Процесс топки всех газовых теплоагрегатов «Жара» выполняется только из смежного помещения (из предбанника либо моечной).
Газовые печи дополнительно комплектуются дымоходом и водяными баками объемом 50, 73 и 90 литров. Очень важно правильно подобрать объем водяного бака, поскольку маленькая его вместительность не обеспечит всех посетителей горячей водой, а слишком большой бак будет долго нагреваться. Имеются отзывы покупателей, столкнувшихся с этой проблемой
Совет! Выбирая водяной бак, исходите не только из показателей требуемого объема воды, но и из мощности теплового агрегата. Важно понять, способен ли он нагреть этот объем одновременно с помещением? По всем нормам на обогрев воды должно уходит не более 10% мощности печи. Кроме того, нагревать воду небольшими порциями удобнее: сначала нужно небольшое количество для запарки веника, позже – чтобы помыться перед заходом в парную, потом еще некоторая часть чтобы ополаскиваться после заходов в парилку. Исходя из максимального расхода за один раз, и нужно выбирать объем бака, а не рассчитывать общее количество воды, которая может понадобиться на всю банную процедуру.

Металлическая печь своими руками: чертежи. Изготовление буржуйки – пошаговая инструкция
При использовании газовых баллонов первой операцией станет безопасное вскрытие этих сосудов. Порядок действий:
- Полностью откройте вентиль, переверните резервуар с целью максимально слить оставшийся конденсат.
- Выкрутите вентиль трубным ключом, заполните баллон доверху водой.
- Болгаркой аккуратно срежьте боковину, ориентируясь по заводскому сварочному шву.
Справка. Пропан тяжелее воздуха, поэтому самостоятельно не выветрится. Остатки газа вытесняются из сосуда только водой, резка выполняется при заполненном резервуаре.

Вообще-то, крышку отпиливать необязательно, поскольку конструкцией не предусмотрена установка внутренней колосниковой решетки. Можно сразу вырезать проем под монтаж дверцы или боковое квадратное отверстие для выхода дымовых газов.
Как сделать печь длительного горения для дачи своими руками:
- Выполните подготовительные работы – прорежьте щели колосниковой решетки, технологические отверстия для прохода газов и установки дверок. Распилите второй баллон, подгоняя будущую вторичную камеру под топливник.

Чертеж дровяной печки — вид сверху
- Наварите на колосники усилители из арматуры или профиля, как сделано на фото. Иначе при нагреве металл начнет прогибаться.

- Приделайте зольник из металлических полос и ножки печи, ориентируясь по чертежу.
- Изготовьте дверцы и обрамление, как показано на картинке. Уплотняйте притвор асбестовым шнуром, внутрь заложите базальтовый утеплитель.

- Выполните отверстия в вертикальном корпусе, поместите внутрь трубу Ø76 мм, соблюдая угол 35…40°. Герметично обварите торцы, состыкуйте готовый элемент с горизонтальным баллоном.
- Сверху к своду топливника приварите несколько полос из обрезков металлопроката – они послужат ребрами воздушного теплообменника. Изготовьте корпус камеры, приделайте все патрубки.

- Приварите обрамление, установите дверцы топки и зольника.

Совет. Не отступайте от чертежа и не увеличивайте размеры теплообменной полости – эффективность нагрева снизится. Угол монтажа наклонного канала дается приблизительно, главное, вставить трубу между боковыми стенками и хорошенько обварить.




