Стальная печь каменка для бани своими руками. Чертежи самодельных стальных печей для бани
- Стальная печь каменка для бани своими руками. Чертежи самодельных стальных печей для бани
- Металлическая печь для бани с закрытой каменкой своими руками. Печь из кирпича с закрытым типом каменки, дополненная баком под горячую воду
- Металлическая печь для бани своими руками: особенности печи из металла, проектирование и устройство, правила сооружения и отделки
- Металлическая печь своими руками: чертежи. Плюсы и минусы металлических печей
- Сварная печь для бани своими руками. Конструкция печи
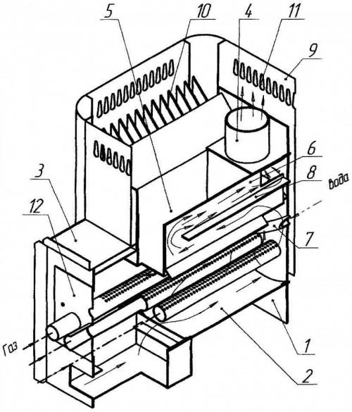
Стальная печь каменка для бани своими руками. Чертежи самодельных стальных печей для бани
Рассмотрим вариант печи, которая будет актуальна для парилки объемом 2×3×2,3 м. Для ее конструкции используются листы стали толщиной 3 мм.
Для запуска процесса горения конструкцией предусмотрен дополнительный воздуховод, который берет свое начало с улицы. Чтобы во время нагрева сталь не изгибалась, вверху топки к бокам приваливают ребра жесткости в виде уголков.

Рассмотрим еще одну схему, по которой можно изготовить металлические банные печи своими руками. Это модели с забором воздуха из верхней части топки. Их еще именуют печами с дожиганием газов. На задней стенке к ней приварена стальная платина. В печь воздух поступает из-под колосников, и подается через воздуховоды, идущие в щель между этой пластиной и задней стенкой топки.
Такая интересная конструкция справляется одновременно с двумя задачами: производит охлаждение задней стенки, не давая ей прогорать, а также подается воздух уже прогретым в верхнюю часть, где сконцентрированы очень горячие газы в виде дыма. 80 % их объема являются горючими.

После смешения с воздухом происходит их воспламенение, что приводит к повышению температуры в топке и прогреву камней до более высоких показателей. Если при этом используются сухие дрова в качестве топлива, то их потребуется значительно меньше. На таком принципе работы построено немало печей продолжительного горения, но для банных печей он стал применяться лишь недавно. Существует и схожая модель без дожига. Изучив ее чертеж можно лучше понять пропорции и размещение разных элементов.
Данная конструкция предполагает построение топки с объемом на 30 % больше, чем каменка. Соотношение можно считать приемлемым. Дымоход располагается со смещением назад, что иногда вызывает сложности при его установке – ему может мешать потолочная балка. При этом может понадобиться произвести изгибание дымохода, что не приветствуется.
Кроме того, перед тем как сделать печь для бани, следует определиться, нужен ли в парной бак для подогрева воды. Некоторые подстраивают уровень влажности, открывая и закрывая крышку бака. Другие специалисты утверждают, что таким образом вырабатывается тяжелый пар, поэтому они советуют устанавливать бак в моечной комнате, а прогрев воды производят посредством вмонтированного в топку теплообменника, соединенного трубами с баком.

Теперь рассмотрим схему металлической печи с баком для воды. Конструкция считается довольно грамотно проработанной. Благодаря искрогасителю дым проходит немного большее расстояние, тем самым лучше прогревая стенки топки. Вместо бака, конечно же, можно уложить камни.
Стоит рассмотреть вариант установки бака сзади печи. Дымоход смещен назад, проходя сквозь бак. Из-за большой высоты бака будет эффективная теплоотдача, следовательно – дымоход не будет перегреваться при выходе из него.
Каменка имеет конструкцию, предполагающую небольшие ее размеры, что вполне достаточно для небольших парилок. У нее есть крышка, но ввиду особенностей расположения, ее бывает сложно закрывать после подачи воды. Но такую конструкцию легче обслуживать.
Металлическая печь для бани с закрытой каменкой своими руками. Печь из кирпича с закрытым типом каменки, дополненная баком под горячую воду
Такая модель — оптимальный вариант для частной бани большой по площади. Она рассчитана на поочередное проведение банных процедур нескольких семей.

Кирпичная печь с закрытой каменкой и боковым размещением бака для воды: 1 — водогрейный бак; 2 — печь; 3 — дымовая труба; 4 — камни; 5 — крышка каменки; 6 — отверстие для подачи воды; 7 — металлический свод; 8— экран; 9— колосниковая решетка; 10— дверка топки; 11 — дверка поддувала.
Количество необходимых камней для печки подсчитывают по формуле : на 1 куб. м парного помещения потребуется около 30 кг булыжников. Получается, для парной, объем которой 10 куб. м, понадобится не меньше 300 кг камней. Этот подсчет действует для печи из кирпича с периодическим циклом работы. Если же модель базируется на постоянном поддержании процесса горения, то масса камней уменьшается почти в 2 раза. Это объясняется тем, что процесс горения дров поддерживает тепло камней.
Рассмотрим вариант надежного, теплоемкого сооружения – кирпичной печи с каменкой закрытого типа. Для изготовления корпуса печи берется кусок от металлической трубы, полученный путем разрезания вдоль. Параметры трубы следующие: диаметр равен 40 см, длина – 60 см. Печная конструкция дополнена резервуаром для получения горячей воды, размещенным в боковой части сооружения.
Листы из стали навариваются на трубу. Сталь толщиною не меньше 5 мм. Эти листы выполняют опорную функцию при закладывании куска трубы внутрь печной кладки. Для обеспечения герметичности корпуса к торцу трубы с обеих сторон привариваются листы из металла. В месте примыкания дымохода к печному корпусу наваривается экран, выполненный из металла. Он будет предотвращать выход горячего воздуха через дымовую трубу.
С боковой стороны в печь с закрытой каменкой монтируется резервуар под горячую воду. Его параметры — 50 х 37 х 35 см, вместимость – 45 л. Для изготовления бака можно взять сталь толщиною от 5 до 10 мм, но обязательно сторону, соприкасающуюся с топкой выполнить из 10 мм стального листа.
Внутри печи для русской бани с закрытой каменкой сбоку монтируют трубу для дымохода, снабженную круглой заслонкой. Эта труба одним концом устанавливается на металлический бак, в кирпичной же кладке она фиксируется с помощью проволочных хомутов.
Вверху печной конструкции располагается каменка для бани, в которой размещают камни весом до 200 кг. Для каменки вверху предусматривается наличие крышки из оцинкованной жести. Ее можно приоткрывать, выпуская пар. Сбоку печи выполняется проем 20х25 см, в него плескается вода на камни для образования пара.
Предложенная модель печного оборудования универсальна: она может функционировать в режиме непрерывной топки, а также и периодического действия. Когда печь с закрытой каменкой работает в условиях постоянной закладки дров, то масса камней уменьшается вдвое.
Металлическая печь для бани своими руками: особенности печи из металла, проектирование и устройство, правила сооружения и отделки
Без печи русская баня перестает быть баней по умолчанию. Поэтому тематическое изделие не просто служит источником огня, оно также символизирует отечественную парную купальню.
Вопрос в том, из чего возводить печь – из кирпича или металла? Если ставка сделана на последний материал, то будущий пользователь вместо того чтобы купить металлическую печь для бани, может собрать ее самостоятельно. Соответствующий проект не требует много времени и средств.

Особенности банной металлической печи
Тематическое устройство в готовом виде представляет собой компактный источник огня, выполненный из низкоуглеродистой стали. Поэтому по сравнению с кирпичной печью металлический аналог:
- Требует минимум деталей и расходных материалов для сборки;
- Быстро собирается из готовых деталей;
- Не занимает много места;
- Быстро нагревается.

Однако металлическая печь не лишена недостатков: хоть стенки конструкции нагреваются меньше чем за час, они точно так же быстро остывают. Это делает конструкцию пригодной лишь для небольших бань площадью 8-10 кв.м.

Причем прежде чем устраивать металлическую печь, придется отделать деревянные стены огнестойким кирпичом или металлическим экраном, предварительно проложив минеральную вату между основой и защитой. И вообще металлический очаг лучше устраивать на 0,5-метровом расстоянии от пиломатериала.

Мощность металлической печи
Источник огня из металла в зависимости от размеров топки, толщины стен и прочих показателей вырабатывает определенную температуру – до 50 0С и выше. Поэтому металлическая печь бывает:
- Горячего нагрева – устройство нагревает воздух выше 50 0С;
- Холодного нагрева – нагрев воздуха происходит до 50 0С.

Последний вариант актуален, если баней будет пользоваться человек с больной сердечно-сосудистой системой или если сама баня очень маленькая. Первый вариант – традиционный.

Конструкция металлической печи
В отличие от кирпичной печи металлический источник жара достаточно универсален. Эта универсальность во многом проявляется за счет разнообразия конструкций:
- Закрытые модели – очень компактные, предусматривают решетку для укладки камней, а также внутреннюю камеру для заполнения огнестойким материалом, способствующим теплостойкости;
- Открытые аналоги – выделяются емкостью для набора воды и открытым доступом к каменке;
- Комбинированные устройства – сочетают в себе элементы двух предыдущих образцов.

Также к комбинированным печам часто относятся модели, работающие за счет газа или электричества. Соответственно, угольные и дровяные печи – преимущественно безопасные закрытые и удобные открытые модели.

Проектирование металлической печи
Тематическое устройство собирается на месте из уже готовых деталей. Представить, как будет выглядеть металлическая печь для бани с баком поможет чертеж, в котором обязательно надо соблюсти:
- Топку – для сгорания топлива (размеры подбираются в зависимости от площади бани, но высота и ширина отсека практически одинаковые);
- Зольник – для сбора золы (устраивается в самом низу и имеет выдвижной ящик для доступа к отходам);
- Каменку – для нагрева камней (отсек находится над топкой, причем бывает закрытым или открытым);
- Бак – для сбора воды (емкость располагается выше каменки или топки);
- Дымоход – для нагрева воды и отвода дыма (труба начинается с топки и выходит наружу, т.е. за пределы кровли).

Соответствующие отделы завершаются дверцами для закладки топлива и чистки топки, а также дополняются трубопроводом с соответствующими вентилями для подачи воды и улучшения воздушной тяги.

Устройство трубы
Хоть сгорание топлива происходит внутри каменки, без трубы металлическая печь наполнит внутреннее пространство гарью. Поэтому необходимость отвода дыма всегда актуальна для бани. Чтобы дымоход нагревал воду, должна быть тяга, которой способствуют:
- Вывод дымохода наружу таким образом, чтобы он возвышался над самой верхней точкой конструкции;
- Отсутствие поблизости высоких деревьев и прочих характерных объектов;
- Зонтик на конце трубы (дефлектор), который позволяет последней не намокать;
- Большой диаметр трубы – не менее 100 мм.

Причем труба может проходить сквозь бак для сбора воды, а сама емкость – находиться на чердаке. Главное, чтобы отверстия для дымохода на каждом уровне предусматривали огнеупорную базальтовую обшивку. Участок кровли с отверстием для вывода дымохода отделывается листом металла.
Если чертеж металлической печи для бани не предусматривает обшивку каменки стальными листами (конструкция идет открытой), то камни накладываются впритык к трубе.

В этом случае последнюю лучше устраивать в центре, чтобы как можно больше камней контактировало с горячей магистралью. В закрытых печах труба может располагаться как в центре, так и сбоку.

Металлическая печь своими руками: чертежи. Плюсы и минусы металлических печей
Металл относится к прочным материалам, но он одновременно пластичен и податлив, что позволяет придать ему почти любую конструкцию. Он способен выдержать высокие нагрузки и перепады температур. Имеется немало методов обработки металлов, поэтому при изготовлении печей можно применять различные технологии.
Так как главным конкурентом металлических агрегатов на рынке отопительного оборудования являются кирпичные конструкции, сравнение технических характеристик будет между ними. Например, КПД печей из кирпича составляет около 70%. Что касается металлических изделий, то этот показатель у них достигает 83%, при этом они весят намного меньше и более доступные по цене.
Еще одним важным преимуществом печи для дома из металла считается цельность конструкции, поэтому ее можно без проблем перемещать и перевозить. С крупными сооружениями из кирпича это сделать невозможно.

По причине незначительного веса металлическим агрегатам не требуется обустройство отдельного прочного фундамента, а установка заключается только в возведении дымохода. В неотопительный период мобильное железное изделие можно переместить в подсобку или сарай и тем самым освободить пространство в помещении.
Металл, используемый в качестве материала изготовления агрегата, отличается высокой теплопроводностью, в результате чего он быстро нагревается, но и остывает аналогично. Такой обогрев способствует повышению КПД. В кирпичных печах сначала следует подождать, когда начнется внутренний теплообмен, а до этого в процессе протопки все полученное тепло уходит в дымоход.
Почти все преимущества металлических агрегатов основаны на особенностях этого материала – он достаточно плотный, не пористый, под воздействием конденсата не отсыревает как кирпичи. Им не опасны длительные перерывы в работе, они не нуждаются после простоев в разгонной протопке.
Металлические печи для дачи легче сертифицировать и на них проще оформить разрешение в пожарной инспекции, что позволит сэкономить и деньги, и время. В продаже встречаются модели, которым вообще не требуется согласование, а только установка автономного дымохода.

Но у металлических агрегатов имеются и недостатки:
- Они не «дышат», так как в отличие от кирпича металл не пористый материал. Кирпичная печь при остывании поглощает из воздуха влагу, а при нагревании отдает ее. В результате в помещении создается постоянный баланс влажности, обеспечивающий ощущение комфорта. Иногда металлические агрегаты облицовывают кирпичом, чтобы добиться аналогичного эффекта, но он получается не таким результативным, а конструкция теряет легкость и мобильность.
- Как уже говорилось, металл быстро нагревается и остывает, поэтому для поддержания тепла в доме, печку из него приходится топить постоянно, а иначе она через несколько часов полностью остынет. Решить данную проблему можно путем изготовления металлического агрегата длительного горения. Но в любом случае он является постоянным очагом, создающим риск возникновения пожара и угара, и по этой причине его нельзя надолго оставлять без присмотра.
- Основной минус металлических печей заключается в их пожароопасности. У них стенки при нагреве раскаляются до такой степени, что могут спровоцировать воспламенение предметов, отделочных материалов, напольного покрытия, расположенных в непосредственной близости от огня. Поэтому в МЧС не просто получить разрешение на использование железного агрегата в жилой постройке – для него придется обустроить отдельную котельную.
- Срок эксплуатации печки из металла для дома составляет до 20 лет. При частой эксплуатации даже толстый металл выгорает, в результате чего стенки изделия становятся тоньше. Но всего за десятилетие работы печь полностью окупает свою стоимость за счет сокращения расходов на топливо и возможности заменить агрегат без ремонта и перепланировки помещений.
Сварная печь для бани своими руками. Конструкция печи
Любая печь для бани состоит из нескольких обязательных элементов:
- Зольник . Он расположен сразу под топкой, поэтому в него попадает зола, остающаяся после сгорания топлива. Резервуар следует время от времени очищать от золы.
- Поддувало . Это специальная дверка, которая обеспечивает доступ воздуха в топку, в результате чего топливо лучше горит.
- Задвижка в дымоходе . Такой заслон обеспечивает тягу в печи. Чем шире она открыта, тем интенсивнее и быстрее сгорает топливо в печи. После полного прогорания и остывания углей и печи, эти заслонки полностью перекрывают, чтобы сохранить тепло. Если же угли еще тлеют, то во избежание отравления угарным газом, оставляют зазор в 2 см для вентиляции.
- Змеевик или котел . В этих элементах, встроенных в топливный отсек, происходит нагрев воды. Выходящий из них пар создает в бане нужный микроклимат, кроме того, воду не нужно будет кипятить дополнительно.
Каждая из разновидностей печей отличается своими характеристиками, которые нужно учитывать при выборе оптимального варианта для создания определенных условий в бане.

Различают такие печи, как:
- На дровах . Такая конструкция печи является наиболее привычной и распространенной. В нее входит топка, колосники, зольник и дымоход. Материалом для печи может быть кирпич, либо металл. Примечательно, что подобные конструкции при небольших габаритах способны быстро и эффективно прогреть даже просторное помещение. Их часто применяют в постройках, куда не подведено центральное газоснабжение. Именно дровяную печь для бани сварить своими руками проще всего. А приятным бонусом является легкое потрескивание дров во время горения, которое успокаивает и умиротворяет.
- Чугунные . По технологии работы такие печи бывают постоянного и временного горения. Конструкции временного действия протапливаются дровами. Пользоваться парной можно начинать только после полного сгорания топлива. А вот печи постоянного подогрева работают на газе или жидком топливе. В этом случае находиться в парной можно все время, пока печь топится, причем пар распределяется по комнате равномерно, да и прогревается она намного быстрее.
- Электрические . Установки такого типа выпускают в различных размерах, мощности и эффективности. Такие печи способны быстро догнать температуру до необходимых показателей, они долговечны и хорошо отдают тепло. По стоимости электропечи не очень затраты, к тому же, для них не нужен дымоход.
- Для финских саун . Сама конструкция таких печей предполагает выработку сухого пара и высокой температуры в парной. Они могут быть как электрическими, так и на дровах. При наличии специальных чертежей, сварка печи для бани финского типа может быть произведена самостоятельно (подробнее: " Какая финская печь для бани подойдёт лучше всего ").