Как сварить печь для бани из газового баллона своими руками. Печь из газового баллона
- Как сварить печь для бани из газового баллона своими руками. Печь из газового баллона
- Металлическая печь для бани своими руками: особенности печи из металла, проектирование и устройство, правила сооружения и отделки
- Печь для маленькой бани. Как правильно выбрать?
- Барбекю своими руками из газового баллона. Как сделать мангал из газового баллона: чертеж, разметка, раскрой, сборка своими руками
- Печь для бани из баллона. Небольшая печка из маленького баллона
- Изделия из газового баллона своими руками. Что можно сделать из газового баллона своими руками
- Банная печь из трубы горизонтальная своими руками. Чертежи и изготовление печи для бани из трубы своими руками: самодельные варианты
- Печь буржуйка из газового баллона. Работа по изготовлению печки из баллона
Как сварить печь для бани из газового баллона своими руками. Печь из газового баллона
Определив, что металлические печки показывают высокую эффективность в небольших хозяйствах, а, следовательно, станут выбором большинства, следует рассмотреть доступные примеры.
Такой нагревательный элемент является экономичным, так как при изготовлении используются подручные средства.
Выбор баллона
Для изготовления печи выбирают баллон без видимых повреждений и дыр в металле. Наличие краски – не обязательный фактор. В процессе использования покрытие сгорит. Желательно, чтобы заранее был снят кран, а газ – выпущен.
Совет! Не стоит покупать новую емкость. Можно обратиться в ближайшие пункты приема металлолома или к знакомым. Сэкономленные деньги лучше пустить на покупку других материалов, услуги мастеров по работе с металлом и сваркой или личные цели.
Инструменты и материалы
Для выполнения работ потребуется:
- газовый баллон;
- металлический лист толщиной 3 мм;
- арматура для изготовления колосника и ручек;
- металлические уголки или остатки профильной трубы для ножек;
- труба для дымохода диаметром 120 мм и длиной от 400 мм;
- металлические прутья или арматура для каменки;
Подготовка стен
Небольшие печи имеют малый вес, поэтому делать под них специальный фундамент не имеет практического смысла. Но стены защищают обязательно.
При горении топлива выделяется большое количество тепла. Температура легко повреждает деревянные и легкоплавкие поверхности. Для защиты от повреждений облицовку стен и покрывают фольгой. Металл отражает температуру в помещение, снижает нагрузку на стену и увеличивает эффективность печи.
Обратите внимание! Облицовку кирпичом проводят по всей части, печь контактирует со стеной.
Металлическая печь для бани своими руками: особенности печи из металла, проектирование и устройство, правила сооружения и отделки
Без печи русская баня перестает быть баней по умолчанию. Поэтому тематическое изделие не просто служит источником огня, оно также символизирует отечественную парную купальню.
Вопрос в том, из чего возводить печь – из кирпича или металла? Если ставка сделана на последний материал, то будущий пользователь вместо того чтобы купить металлическую печь для бани, может собрать ее самостоятельно. Соответствующий проект не требует много времени и средств.

Особенности банной металлической печи
Тематическое устройство в готовом виде представляет собой компактный источник огня, выполненный из низкоуглеродистой стали. Поэтому по сравнению с кирпичной печью металлический аналог:
- Требует минимум деталей и расходных материалов для сборки;
- Быстро собирается из готовых деталей;
- Не занимает много места;
- Быстро нагревается.

Однако металлическая печь не лишена недостатков: хоть стенки конструкции нагреваются меньше чем за час, они точно так же быстро остывают. Это делает конструкцию пригодной лишь для небольших бань площадью 8-10 кв.м.

Причем прежде чем устраивать металлическую печь, придется отделать деревянные стены огнестойким кирпичом или металлическим экраном, предварительно проложив минеральную вату между основой и защитой. И вообще металлический очаг лучше устраивать на 0,5-метровом расстоянии от пиломатериала.

Мощность металлической печи
Источник огня из металла в зависимости от размеров топки, толщины стен и прочих показателей вырабатывает определенную температуру – до 50 0С и выше. Поэтому металлическая печь бывает:
- Горячего нагрева – устройство нагревает воздух выше 50 0С;
- Холодного нагрева – нагрев воздуха происходит до 50 0С.

Последний вариант актуален, если баней будет пользоваться человек с больной сердечно-сосудистой системой или если сама баня очень маленькая. Первый вариант – традиционный.

Конструкция металлической печи
В отличие от кирпичной печи металлический источник жара достаточно универсален. Эта универсальность во многом проявляется за счет разнообразия конструкций:
- Закрытые модели – очень компактные, предусматривают решетку для укладки камней, а также внутреннюю камеру для заполнения огнестойким материалом, способствующим теплостойкости;
- Открытые аналоги – выделяются емкостью для набора воды и открытым доступом к каменке;
- Комбинированные устройства – сочетают в себе элементы двух предыдущих образцов.

Также к комбинированным печам часто относятся модели, работающие за счет газа или электричества. Соответственно, угольные и дровяные печи – преимущественно безопасные закрытые и удобные открытые модели.

Проектирование металлической печи
Тематическое устройство собирается на месте из уже готовых деталей. Представить, как будет выглядеть металлическая печь для бани с баком поможет чертеж, в котором обязательно надо соблюсти:
- Топку – для сгорания топлива (размеры подбираются в зависимости от площади бани, но высота и ширина отсека практически одинаковые);
- Зольник – для сбора золы (устраивается в самом низу и имеет выдвижной ящик для доступа к отходам);
- Каменку – для нагрева камней (отсек находится над топкой, причем бывает закрытым или открытым);
- Бак – для сбора воды (емкость располагается выше каменки или топки);
- Дымоход – для нагрева воды и отвода дыма (труба начинается с топки и выходит наружу, т.е. за пределы кровли).

Соответствующие отделы завершаются дверцами для закладки топлива и чистки топки, а также дополняются трубопроводом с соответствующими вентилями для подачи воды и улучшения воздушной тяги.

Устройство трубы
Хоть сгорание топлива происходит внутри каменки, без трубы металлическая печь наполнит внутреннее пространство гарью. Поэтому необходимость отвода дыма всегда актуальна для бани. Чтобы дымоход нагревал воду, должна быть тяга, которой способствуют:
- Вывод дымохода наружу таким образом, чтобы он возвышался над самой верхней точкой конструкции;
- Отсутствие поблизости высоких деревьев и прочих характерных объектов;
- Зонтик на конце трубы (дефлектор), который позволяет последней не намокать;
- Большой диаметр трубы – не менее 100 мм.

Причем труба может проходить сквозь бак для сбора воды, а сама емкость – находиться на чердаке. Главное, чтобы отверстия для дымохода на каждом уровне предусматривали огнеупорную базальтовую обшивку. Участок кровли с отверстием для вывода дымохода отделывается листом металла.
Если чертеж металлической печи для бани не предусматривает обшивку каменки стальными листами (конструкция идет открытой), то камни накладываются впритык к трубе.

В этом случае последнюю лучше устраивать в центре, чтобы как можно больше камней контактировало с горячей магистралью. В закрытых печах труба может располагаться как в центре, так и сбоку.

Печь для маленькой бани. Как правильно выбрать?
Сначала нужно разобраться с мощностью печки для парной.
Принимаем для примера размеры бани:
- ширина – 2 м;
- высота – 2,2 м;
- длина 3 м.
В этом случае общая площадь высчитывается перемножением длины и ширины помещения. В нашем случае, она равна 6м2. Но нам важен объем для расчета мощности. Поэтому потребуется умножить площадь на высоту стен – 6*2,2= 13,2 м3.
Теперь важно подсчитать возможные теплопотери. Для этого определив общую площадь окон, дверей умножаем это значение на 1,2
В нашей парной одна печь и окно в предбаннике. Поэтому потери тепла принимаем равными 2,3 м3. Складываем общий объем и объем потерь – 15, 3 м3.
Дальше необходимо определить мощность с учетом уровня поглощения тепла. Принимаем для расчета, что наша баня сделана из деревянных бревен. В этом случае перемножаем полученный объем и коэффициент, для бревенчатых стен он равен 1,6. 15,3*1,6=24,48. Округляем в большую сторону и получаем, что для нашей парной из бревен с одной дверью и окном потребуется приобрести печку, мощностью 25 кВт.
Это примерный и грубый расчет. При выборе печи для бани необходимо обратить внимание еще на несколько факторов.
Помимо мощности при выборе мини – печи важно обратить внимание еще на несколько факторов;
Вид сжигаемого топлива. Отечественные и зарубежные производители выпускают печи для небольших бань, работающие на разных видах топлива. В эксплуатации самый дорогой – электрокалориферы. Разработаны даже печи, работающие на солярке или на угле
Но для российских любителей пара и веника, самыми популярными остаются именно печи, работающие на дровах.Следует обратить внимание на устройство топочного отделения. Можно приобрести конструкцию с возможностью вынести топку в отдельной помещение
Для мини бань – это самый оптимальный вариант, но потребующий больших затрат при покупке. Но в этом варианте есть одно неоспоримое преимущество – в парной не потребуется сорить и складывать дрова.Узнайте вид засыпки и устройства каменки. Они могут быть закрытыми или открытыми. Наиболее востребованы у консерваторов конечно открытые каменки, но набирают популярность именно закрытые отделения с камнями.
Барбекю своими руками из газового баллона. Как сделать мангал из газового баллона: чертеж, разметка, раскрой, сборка своими руками
Старые ненужные газовые баллоны встречаются то тут, то там. Кто-то пройдет мимо, а пытливые мастера обязательно найдут им применение. Из этой статьи вы узнаете, как сделать мангал из газового баллона своими руками.
Один вариант – простая открытая жаровня. Второй – приспособление три в одном: мангал, барбекю, гриль. При открытой крышке можно пожарить, все, что душе угодно. При закрытой – запекать или коптить продукты.
- возможность одновременного приготовления большого количества продуктов;
- разнообразие способов готовки;
- долговечность.
Минусы:
- необходима осторожность при изготовлении шашлычницы;
- значительный объем работ;
- громоздкость и большой вес конструкции,что затрудняет перемещение;
- неравномерность прожарки продуктов;
- значительный расход угля;
- не слишком привлекательный внешний вид после нескольких использований.
Несмотря на множество минусов, плюсы все же перевешивают, что подтверждается появлением всё новых разновидностей мангалов из баллонов на просторах страны.
Какие бывают баллоны, и какой выбрать
Пропановые
Самые популярные – цилиндрические пропановые сосуды бывают самых разнообразных размеров. Используются для приготовления пищи и в строительстве.

Для изготовления жаровни подходят несколько типоразмеров:
- объем — 27-65 л,
- диаметр — 300, 376 мм;
- длина – 0,6-1 м.
- толщина стенки — 2,5-3,5 мм.
Самый ходовой – емкостью 50л имеет диаметр 300, длину 970 мм. Для изготовления портативной шашлычницы берут 27л баллон того же диаметра длиной 600 мм.

Печь для бани из баллона. Небольшая печка из маленького баллона
Для небольшой парилки объемом в 8-10 кубов достаточно будет сделать печку из маленького газового баллона. Обычно используют 27 литровые баллоны. Толщина стенки у низ замечательная — 6 мм. Без крана их высота 500 мм, диаметр 300 мм. Получается замечательная маленькая печка.
Сначала из баллона надо удалить остатки газа. Для этого в него заливают воду. Вода постепенно вытесняет все остатки газов. После того, как баллон наполнен можно срезать кран и приступать к изготовлению печи.
Сначала болгаркой аккуратно, в торце где был кран, вырезаем отверстие под дверку топки. На одном из боков, которые оказались под длинной стороной вырезанного отверстия под дверку, устраиваем своеобразную колосниковую решетку. Берем дрель и свело 10 мм, через каждые 20 мм сверлим дырки. Всего рядов 5.
Отверстия зольника должны получиться на «дне»
Над отверстиями привариваем кусок швеллера. В нашем случае его ширина 140 мм. Заднюю стенку завариваем к передней потоп приделаем дверку. Получится зольный ящик. Его минус, что в данном варианте он не выдвижной. При желании конструкцию можно усовершенствовать, сделав отдельный ящик.
Наварили швеллер
В качестве подставки к швеллеру приварена защитная конструкция, которая закрывала кран. Экономно и вполне надежно.
Подставка сделана из защитной конструкции
На зольник и к топке закрепили дверки, ближе к задней части топки приварили патрубок дымохода (сначала приварили, потом внутри сваркой вырезали металл).
Дверки установлены на место
Провели пробную растопку. При наличии высокой трубы — более 2,5 метров тяга отличная.
Пробная растопка
Как показали испытания, парилка 2,5*2,5*2,3 м с 3°C до 25°C была нагрета меньше за полчаса (почти без утепления, так как баня не доделана). Дальше топить перестали, надо усовершенствовать: слишком жесткое тепло излучается.
Как сделать печь для бани из листового металла читайте тут.
Изделия из газового баллона своими руками. Что можно сделать из газового баллона своими руками
А действительно, что можно сделать из газового баллона своими руками? Так уж повелось ещё со времен Советского Союза, что многие изделия можно переработать принципиально и получить из них новые конструкции, которые будут выполнять совершенно другие функции. Из газового баллона, как оказалось, можно сделать многое и, заметьте, всё будет выполнено именно своими руками.
Печь из баллона
Первым делом, когда ищешь ответ на вопрос что можно сделать из газового баллона своими руками, на ум приходит печь-буржуйка. Преимуществ у такого агрегата множество, как и в самом принципе монтажа. Во-первых, толщина стенок газового баллона составляет 3 мм и этого вполне достаточно, чтобы буржуйка из него не прогорела уже в первый сезон эксплуатации. Во-вторых, доработать газовый баллон придётся совсем немного – печь изготавливается за один день своими руками. Третье преимущество заключается в огромном выборе конструкций: можно сделать печь из одного баллона или из двух, вертикальную конструкцию или горизонтальную. Фантазия собственная или подсказки из интернета – и вы сможете сделать из газового баллона изделие, которое выручит вас в холодную зиму.
Недостатки также присутствуют. Вернее сказать, это даже не недостатки, а особенности, которые необходимо учесть, чтобы они не превратились в недостатки. Например, необходимо перед первой топкой дров снять краску с внешней стороны деталей из баллона. В противном случае краска начнёт выгорать и наполнит едким дымом помещение. Также необходимо ОБЯЗАТЕЛЬНО позаботиться о пожарной безопасности. Стенки печки из газового баллона могут нагреваться докрасна и это чревато многими неприятностями. Вам может показаться, что такой нагрев – это только в плюс, ведь будет тепло внутри помещения. Но всё, что может вспыхнуть от такого сильного нагрева, вспыхнет непременно, если будет находиться слишком близко к буржуйке. И о стенах самого помещения нужно позаботиться: у нас шлакоблочная стена мастерской треснула вертикально по всей высоте уже после нескольких вечеров использования. Что можно сделать для защиты стены: устанавливать печь на расстоянии от неё, защитить оцинкованным экраном, смонтированным на стену на небольшом расстоянии от неё или же топить буржуйку в меру. Последнее, кстати, не самое лучшее – «угадать» оптимальное количество дров будет сложно. И самое главное: печка из газового баллона своими руками (да хоть и чужими тоже) будет очень быстро остывать. Пока внутри горит огонь, пока подбрасываются дрова – будет тепло. Но стоит дровам перегореть, как печка моментально остывает. Помогут утепленные стены помещения, где будет эксплуатироваться такая буржуйка, и устранение даже минимальных щелей в районе окон, дверей или ворот помещения.
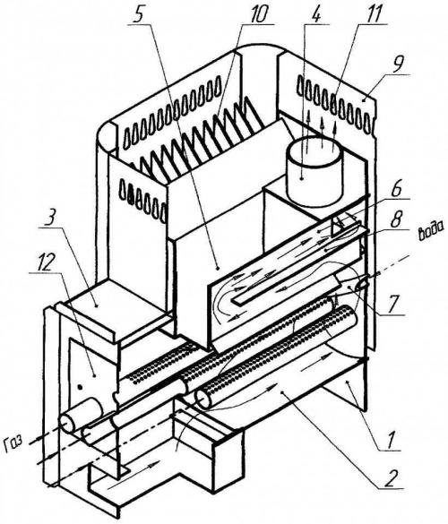
Банная печь из трубы горизонтальная своими руками. Чертежи и изготовление печи для бани из трубы своими руками: самодельные варианты
Коротко о печах из труб
Прежде всего необходимо сказать о положительных качествах таких печей. Как и обычные железные печи, она легка в установке, уходе и эксплуатации, однако плюсом именно самодельной печи является низкая стоимость.
Также стоит вспомнить о негативных качествах такой печи: плохая теплоёмкость, а также низкий уровень пожаробезопасности. Минусы существенны, однако не торопитесь отказываться от такой печи, ведь все они легко устраняются, например, риск возгорания сводится к минимуму кирпичным или металлическим экраном, гасящим ИК-лучи, которые излучает печь.

Переходя к разговору об изготовлении печи для бани из трубы, необходимо уточнить, что инструкции будет две, ведь печь из трубы может быть построена вертикально и горизонтально, что крайне важно для некоторых бань.
Плюсы и минусы таких печей
Требуемые свойства для материала, используемого при изготовлении печи, это обладание жаростойкостью, прочностью, долговечностью, устойчивостью к коррозии. Кроме того, он должен противостоять резким температурным перепадам и обладать хорошей тепло проводимостью.
Чёрный металл, из которого изготавливается толстостенная труба диаметром 500-600 мм, нельзя назвать полностью не поддающимся коррозии. Но именно она оптимально подходит для самостоятельного производства печи для бани, так как отвечает практически всем перечисленным выше требованиям.
Имея толщину стен не меньше 8 мм, делает печь в бане достаточно теплоёмкой, в которой сохраняется тепло, когда топливо уже прогорело. А круглое сечение внутри неё позволяет эффективно распространяться теплу.
Применение трубы, имеющей круглую форму для печи в баню, сводит к уменьшению протяжённости сварочных швов — это самые первые места образования коррозии , и именно через них выходит угарный газ. Кроме того, этот вариант остаётся самым дешёвым, хотя цены на чёрный металл растут.

Принцип работы
Обычный костер не обеспечивает рациональное использование топливных ресурсов. Значительная часть энергии бесполезно улетучивается в окружающее пространство. Отсутствует конвекционные процессы, накопители тепла. Невозможна точная регулировка процесса горения. Доступ кислорода ничем не ограничен.
С применением дымовой трубы и закрытой рабочей зоны отмеченные недостатки устраняются. Однако реактивная печь отличается более высокой эффективностью по сравнению с типовой «буржуйкой». Главное отличие – дымовая труба, размещенная внутри основной конструкции. Увеличение пути выхода газов сопровождается постепенным снижением температуры на разных участках (пример, значения приведены в C°):
- центральная шахта (райзер): 700-1100;
- промежуток между стенками: 250-380;
- участок под лежанкой: 30-90.
Улучшенная тяга в конструкции реактивной печи
На рисунках показаны особенности конструкции, которые обеспечивают достаточную тягу при увеличении длины пути удаления дыма. Другое преимущество – высокотемпературное разложение органики при ограниченном поступлении кислорода (пиролиз).
Если печь ракета своими руками создана правильно, обеспечиваются благоприятные условия для образования низкомолекулярных углеводородных соединений. Обогревающие устройства такого типа способны обеспечить КПД более 90%. Аналогичные решения используют при конструировании бытовых котлов на твердом топливе длительного горения.
Виды и характеристики
По расположению в пространстве печи, изготовленные из трубы, делятся на следующие виды:
- вертикальные;
- горизонтальные.


Вертикальная печь внешне похожа на печку-буржуйку, однако имеет отличия – дополнительное вместилище для камней и емкость для воды.
Вертикальная самодельная печь занимает меньше пространства , что имеет большое значение при небольших габаритах парной, однако по той же причине она уступает горизонтальной печи по времени горения и интенсивности теплообмена. В процессе горения топлива тепло уходит вверх, боковые стенки не успевают сильно прогреться. В горизонтальной печи процесс идет иначе – поскольку прогретый воздух по пути к дымоходу попутно нагревает и свод корпуса. Исходя из этого ясно, что КПД горизонтальной печи будет выше, чем вертикальной. Главным недостатком такой конструкции принято считать расположение дверей поддувала и топки непосредственно в парной.


Топливо в вертикальной трубе сгорит быстрее, если не прикрыть дверцу зольника, приостановив тем самым доступ кислорода к огню. В такой трубе огонь взаимодействует сразу со всем объемом дров, в то время как в горизонтальной трубе топливо расходуется постепенно, что более логично для топки бани. Также в горизонтальном виде печи больше охват нагревания камней и выше конвекция горячего воздуха, к тому же дверцы поддувала и топки, которые расположены в самом конце трубы, дают возможность вынести их из парной комнаты. И первый, и второй тип можно изготовить своими руками.


Сделать самому или заказать
Перед выбором – купить бюджетную заводскую модель, прибегнуть к услугам мастера или сделать печь-каменку самому – нужно трезво оценить свои навыки домашнего мастера и силу желания.

Печь буржуйка из газового баллона. Работа по изготовлению печки из баллона
Первым делом бывший пропановый баллон освобождают от газовых остатков, которые всегда имеются. Аккуратно откручивают вентиль и направляют струю в противоположную сторону. Газовый поток заметен на глаз, и когда он иссякнет, необходимо вылить из баллона конденсат - крайне неприятное вещество с резким противным запахом. Перевернув баллон и слив конденсат в ненужную тару, а затем утилизировав ее, можно избавиться от ненужного запаха. Следует позаботиться о том, чтобы конденсат не попал в доме на пол или мебель, поскольку избавиться от этого запаха будет сложно. Лучше всего готовить баллон не в помещении, а подальше от всех строений.
После освобождения баллона его опять переворачивают и в вертикальном положении заполняют водой под горловину. Вода вытеснит последние остатки газовой смеси. Затем баллон кладут на бок и сливают воду. После этого баллон полностью безопасен и можно применять к нему электросварку или газовую сварку, а также резку болгаркой.
Буржуйка из баллона, так же, как и все другие модели буржуек, может быть вертикальной и горизонтальной. Вторая считается самой простой, традиционной и «технологичной» в исполнении.
Краткая технологическая последовательность выполнения горизонтальной буржуйки:
- Срезать крышку баллона. Инструмент - болгарка
- Выполнить отверстие для установки дымохода, в задней или верхней части корпуса. Диаметр патрубка может быть в пределах 80 - 120 мм.
- Для передней стенки печки потребуется металлический лист толщ. Не менее 4 мм и достаточного размера, чтобы вырезать окружность диаметра, равного диаметру баллона. Для поддувала, он же зольник, и для топочной камеры в круге вырезают два прямоугольных отверстия болгаркой или с помощью зубила. Вырезают аккуратно, чтобы получить основу для дверец. Герметизировать топочное окно можно, уложив изнутри по контуру отверстия асбошнур. После приварки петель к вырезанным прямоугольникам получают дверцы.
- В качестве колосниковой решетки могут послужить арматурные стержни, изогнутые змейкой. Крепят полученную решетку к внутренней поверхности баллона на сварке - это упрощенный способ. Немного сложнее, зато практичнее для дальнейшей эксплуатации будет положить колосниковую решетку на приваренные к боковым участкам баллона уголки.
- Ножки для печки очень важный элемент. Изготовить ножки можно из стальной трубы, диаметр достаточен 32 - 50 мм. Приварить ножки можно и с наружной стороны баллона.
- В последнюю очередь выполняют стыковой сварной шов, соединяющий баллон и лицевую деталь печки с отверстиями под топку и поддувало.
- Печь будет готова после подсоединения дымохода, выполненного из стальной трубы. Первая топка покажет герметичность конструкции. Как правило, при аккуратном выполнении и хорошей проварке швов буржуйка работает корректно.