Как обустроить печь для бани из трубы без посторонней помощи. Схема и размеры
- Как обустроить печь для бани из трубы без посторонней помощи. Схема и размеры
- Простая печь для бани своими руками. Особенности выбора типа печи для бани
- Печь для бани из трубы 530 горизонтальная чертеж. Виды и характеристики
- Лучшая самодельная печь для бани. Печь для бани из металла: ТОП-136 фото-примеров банных печей с чертежами и популярными размерами железных конструкций
- Печь для бани из 426 трубы. Вертикальная печь из трубы
- Печь для бани из трубы 530 вертикальная. Чертежи банных печей из трубы
- Печь из трубы вертикальная. Почему труба лучше
- Правильная печь для бани из трубы. Коротко о печах из труб
Как обустроить печь для бани из трубы без посторонней помощи. Схема и размеры
При выборе наиболее предпочтительного варианта трубы нужно учитывать внутреннее сечение и толщину стали. Для этого смотрим маркировку: например, указано «400*7», что означает 400 мм – диаметр, 7 мм – толщина стенки профильной трубы. Для банных печей рекомендуется применять трубы диаметром 500-600 мм и толщиной – 7-13 мм, но это не является обязательным, выбор размера металлической трубы зависит от площади парилки и требуемого объема воды.


Самый распространенный размер трубы для бани — 530 мм, такие установки считаются оптимальными для стандартных парилок. Некоторые бани не могут похвастать просторными парными, они используются, скорее, действительно, для мытья, а не для длительного отдыха, и тогда здесь размещают небольшие печки, например, диаметром 426 мм. Если пространство парной позволяет, то подойдет и труба диаметром 630 мм.
Вертикальная
Печи вертикального типа обычно обладают компактными размерами. Колосники и каменка находятся друг под другом, и потому диаметр печи представляет собой диаметр трубы. Изготовление этой разновидности не является сложным.


Горизонтальная
Сборка горизонтального варианта требует более трудоемкой работы. Для парных применяют трубчатые печи, они отличаются высокими показателями прочности и создают условия для эффективной теплоотдачи в воздух банного помещения.
Отличия вертикального и горизонтального типов печей:
- пламя в вертикальной трубе проходит короткий путь до дымохода в верхней части конструкции, раскаленные газы мало касаются боковин корпуса, а расположены большей частью в середине;
- горизонтальная разновидность допускает потоки горячего газа к верхней части установки, после чего газ за счет разрежения воздуха выходит в дымоход;
- конструкция вертикальной печи качественно прогревает стены парильни, но пол и воздух вверху помещения не способна прогреть эффективно;
- горизонтальный вариант прогревает все части пространства, кроме области, прилегающей к полу, и места под топкой.


Перед созданием печи любого типа, но особенно горизонтального, требуется сделать грамотный чертеж будущего устройства. Нарисуйте схему изделия, укажите на ней все размеры, и четко следуйте этой инструкции. Ошибки, допущенные на этапе изготовления печи, могут повлиять не только на работоспособность установки, но и угрожать здоровью отдыхающих. К тому же это значительно упростит процесс монтажа.


Мастеру, который впервые решил заняться данной работой, лучше воспользоваться готовым чертежом или установить типовую модель.
Простая печь для бани своими руками. Особенности выбора типа печи для бани
Что позволяет сделать необходимую конструкцию, которая сможет идеально вписаться своими размерами в нужное место. Для банной печи необходимо наличие несколько самых важных компонентов. Итак, банная печь должна обязательно иметь большой бак для нагрева воды, дымоход и приемник для камней.

Следует понимать, что установка банной печи это весьма затратное и дорогостоящее удовольствие, поэтому сейчас многие владельцы загородных или дачных домиков самостоятельно устанавливают в баню собственноручно изготовленную банную печь.

Безусловно, при самостоятельном изготовлении банной печи вы сможете сэкономить весьма значительную сумму денег, но проиграете во времени. Если вы все же решились сделать банную печь своими руками, вам придется запастись терпением.
Дело в том, что процесс это долгий и в некоторых моментах сложный. При этом нужно понимать, что конечный итог должен быть именно таким, как вы планировали изначально.
- Как правило, банную печь монтируют таким образом, что топочная дверца находится в другом помещении.
- Или вот второй вариант, где топочная расположена в самой парной и здесь же происходит закладка дров в топку.
- Многие мастера советуют устанавливать топку в соседней комнате, но если само помещение очень маленькое, то тогда придется применять второй способ установки топки.
- Что касается баков с водой, то здесь тоже есть нюансы. Как правило, баки монтируются сразу за корпусом самой печи, в отдельных случаях их закрепляют над топливником.
- В данном случае профессионалы советуют монтировать бак для воды за корпусом печки, так как настенное крепление, весьма не безопасно.
Далее необходимо определиться с объемами бака для воды и топливника печи.

Печь для бани из трубы 530 горизонтальная чертеж. Виды и характеристики
По расположению в пространстве печи, изготовленные из трубы, делятся на следующие виды:
- вертикальные;
- горизонтальные.


Вертикальная печь внешне похожа на печку-буржуйку, однако имеет отличия – дополнительное вместилище для камней и емкость для воды.
Вертикальная самодельная печь занимает меньше пространства , что имеет большое значение при небольших габаритах парной, однако по той же причине она уступает горизонтальной печи по времени горения и интенсивности теплообмена. В процессе горения топлива тепло уходит вверх, боковые стенки не успевают сильно прогреться. В горизонтальной печи процесс идет иначе – поскольку прогретый воздух по пути к дымоходу попутно нагревает и свод корпуса. Исходя из этого ясно, что КПД горизонтальной печи будет выше, чем вертикальной. Главным недостатком такой конструкции принято считать расположение дверей поддувала и топки непосредственно в парной.


Топливо в вертикальной трубе сгорит быстрее, если не прикрыть дверцу зольника, приостановив тем самым доступ кислорода к огню. В такой трубе огонь взаимодействует сразу со всем объемом дров, в то время как в горизонтальной трубе топливо расходуется постепенно, что более логично для топки бани. Также в горизонтальном виде печи больше охват нагревания камней и выше конвекция горячего воздуха, к тому же дверцы поддувала и топки, которые расположены в самом конце трубы, дают возможность вынести их из парной комнаты. И первый, и второй тип можно изготовить своими руками.


Лучшая самодельная печь для бани. Печь для бани из металла: ТОП-136 фото-примеров банных печей с чертежами и популярными размерами железных конструкций
Для отопления бани и получения пара применяются различные виды печей. Это может быть и дровяная из чугуна, а также металлическая для разного вида топлива. Вот именно о печи из металла пойдет речь далее.
В статье будет рассказано об особенностях данного агрегата. И показан пример, как изготовить металлический агрегат самостоятельно.
Характеристика печи для бани из металла
Самое простое, что можно сказать о таких печах, что они изготовлены из металла. И в отличие от кирпичных агрегатов, быстрее нагреваются, но так же и быстро остывают.

При этом монтаж такого изделия не сложен, как с финансовой, так и с физической стороны.

Считается, что металлические печи практически невесомы. Для продления работы нужно выбирать топливо, которое будет гореть как можно дольше времени.
- Топка в таких агрегатах изготовлена из стали. При большой температуре материал начинает сильно нагреваться, а значит и терять свои физические свойства.
- Считается, что уже при + 250 С, сталь становится уязвима. Хотя внешне, это никак не будет отражаться.

При + 550 С, металл становится коричневым. Выше температура сделает сталь красного накаленного цвета.

И печка уже не будет первоначальной формы. А иногда даже и пригодна для дальнейшего использования. Но решение проблемы есть всегда.
Температурное расширение печи из металла
По мнению мастеров печной отрасли, полностью изменить влияние высоких температур на сталь не получится. Но можно снизить такие показатели до необходимой точки. Для этого применяют два варианта. Это подготовка металла к монтажу печки для бани. Или же изменение расположения топки в агрегате.

Подготовка металла
После того как все детали печи вырезаны, необходимо взять элементы боковых частей, верхней и дверку топки. Все это хорошенько накалить до огненного состояния, не боясь деформации.
- Все можно быстро выпрямить молотком, так как металл при таком нагревании становится мягким как пластилин.
- Охладить и сравнить с первоначальными размерами печки. Если все нормально приступить к сбору агрегата.

Таким образом раскаленное железо уже не будет плавиться до такой степени (как плавка элементов) и сохранит изделие целым и невредимым, продлив срок службы на максимальный период.

Подготовка топки
Любители банной релаксации, наверное в курсе, что для обустройства топки обычно используется колосниковый элемент. Он представляет собой железную решетку, на которую кладутся полена.
Сами решетки сделаны из листового металла или литого чугуна. И отличаются размерами отверстий. Это идеальный вариант для каменных печей.
Для металлических же агрегатов – это лишняя трата времени на подкладывание отопления. А также средств на покупку такого оборудования с колосниковой системой.
- Что же предлагают специалисты? Они настаивают на том, что вместо колосникового элемента использовать просто дно металлической печки, как основу для переработки топлива.
- Единственное, что нужно предусмотреть относиться к подвижной заслонке. Она поможет контролировать подачу кислорода к топке. Также для герметичности агрегата, стоит воспользоваться минеральной ватой или асбестовым шнуром.
- Этими деталями можно закрыть периметр дверцы топки. Таким образом топлива потребуется в два раза меньше, чем с колосниковой системой. Т.е. полена нужно будет подкладывать раз в 2 часа. При этом комната будет прогрета по максимуму, как и камни в каменке.

Размеры печи для бани из металла
При самодельном изготовлении печки применяют любые размеры, как ее бака, так и ее сторон. Также учитывают площадь парной и количество человек, которые будут париться за раз в помещении.
Далее будет приведен пример универсального варианта, который поможет сделать печь своими руками.
- Внешняя емкость для камней шириной 50 см и аналогичной длиной. Высота будет 80 см;
- Внутренняя каменка с шириной 40 см, такой же длиной. А высотой уже 50 см (расстояние между внутренней и внешней равно 5 см);
- Печь с шириной 50 см, длиной 90 см и высотой 50 см. Длина может отличаться от предполагаемого варианта. Неизменной остается внешняя каменка (50 см), но бак крепится со стороны на упорах;
- Бак. Можно взять шириной 40 см длиной 50 см и высотой 60 см. Вместимость бака будет до 120 литров. Этого хватит для 4 человек. Или же больше, так как речь идет об уже нагретой воде.

Изготовление печи из метала своими руками (пошагово)
Если есть желание, металлическую печь можно сделать самостоятельно. Для этого необязательно иметь какие-то специальные навыки, достаточно изучить систему изготовления такого оборудования в интернете или в книжном формате. И конечно же запастись хорошим настроением.

Инструкция
Для начала подготавливают необходимый материал. В данном случае листовая сталь чем толще, тем лучше.
Печь для бани из 426 трубы. Вертикальная печь из трубы
Перед тем как сделать печку из трубы, необходимо задуматься о выборе необходимого инструмента и составляющих печи. Приготовьте следующее:
- Сварочный аппарат;
- Электроды для сварки металла;
- Инструмент для резки металла, например, болгарку;
- Две трубы длиной в 60 см и 90 см, диаметром от 50 см и толщиной стенок около 10 мм;
- Трубу с диаметром в 35 см, из которой будет изготовлена каменка;
- Два листа металла толщиной в 10 мм;
- Дымоходную трубу, подбирая которую, важно учитывать, что она должна выходить над крышей;
- Арматуру;
- Колесник;
- Врезной металлический кран;

Заготовив необходимый материал, можно собирать печь для бани из трубы своими руками, следуя нашей подробной инструкции:
- Приварка дна печи . Вырежьте из заготовленного листа металла круг, диаметр которого соответствует диаметру основной трубы, если вы соблюдаете размеры, указанные в списке выше, то диаметр будет равен 50 см. Вырезав круг, приварите его к одному из концов трубы, после чего, рекомендуем создать металлический каркас из профиля, чтобы укрепить конструкцию.
- Изготовление дверки под колосником (поддувала). Используя болгарку, вырежьте из трубы ровный квадрат с размерами 25 на 8 см. Квадрат должен располагаться в 4 см от дна печи. Далее необходимо закрепить квадрат больших размеров, вырезанный из листа металла, петлями, которые можно приварить. Также сделайте ручку и защёлку.
- Изготовление колосника . Чтобы сделать колосник, снова возьмите лист металла и вырежьте из него круг, диаметр которого должен быть равен внутреннему диаметру основной трубы. В центре круга необходимо вырезать квадрат, и сделать на его месте решётку из прутьев арматуры. Получившийся круг приварите выше нижней дверцы.
- Дверца топки . Отступите от колосника примерно 20 см и вырежьте отверстие для дверцы (25X25 см). Вырежьте будущую дверцу из листа металла и закрепите её петлями, приваривая их. Также сделайте запорную ручку.
- Каменка . Каменка может быть выполнена различными способами, однако мы расскажем вам о самом простом, который вы можете модернизировать по своему желанию. Чтобы сделать дно каменки, на которое будут укладываться камни, отмерьте 15 см от верхнего края трубы. На этом уровне приварите решётку из арматуры. Чтобы менять камни или чистить их от нагара, сделайте дверцу таким же способом, который был описан выше. Размеры дверцы подбирайте самостоятельно, учитывая размер камней (прочитайте также: «Как сделать сетку на трубу для камней в бане – теория и практика»). Эксплуатировать получившуюся каменку необходимо с осторожностью, ведь если вы плотно заложите её камнями, то нарушите циркуляцию воздуха в печи, что приведёт к выбросам дыма в парилку.
- Бак для воды . Для изготовления бака используйте короткую трубу (60 см). Первым делом вы должны сделать дно бака: вырежьте из листа металла круг, диаметр которого должен соответствовать диаметру трубы; в вырезанном круге также необходимо прорезать отверстие для дымоходной трубы, после чего, приварить изготовленный круг к одному из концов стены бака (подробнее: «»). Вварите дымоходную трубу, после чего, сделайте кран для забора воды. Заключающим штрихом станет крышка бака, которую также можно изготовить из листа металла.
- Сборка печи . Сварите все составляющие печи, помните, что швы должны быть крайне надёжными, ведь высокие температуры – это серьёзная нагрузка для них. После завершения всех этапов, печка для бани из трубы своими руками будет готова.
Печь для бани из трубы 530 вертикальная. Чертежи банных печей из трубы

Печь для бани состоит из нескольких элементов , присоединённых последовательно друг к другу посредством электрической или газовой сварки:
- Из корпуса. В нём устроен поддув с крышкой, портал под булыжники, топка, колосники.
- Из емкости (бака) для нагрева воды . Иногда ее делают не отдельным элементом, а продолжением корпуса.
- Из дымоотводной трубы.
- Из искрогасителя, устанавливаемого на дымоход.
Вода идёт по переточным трубам внутри ёмкости и выводится при помощи патрубков для холодного и горячего водоснабжения.

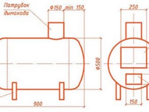
Фото 1. Чертеж горизонтальной банной печи из трубы, вид сбоку и спереди.
Как сделать печку для бани подходящего размера с муфтой 400, 500, 530 мм
Выбор самодельного устройства зависит от габаритов парного отделения и приоритетов собственника. Изготовление любого типа конструкции регулируется нормами ППБ 01–93 и СНиП 41–01-2003. Вне зависимости от того, горизонтальная это печь или вертикальная, применяется ряд общих правил:
- Для каменки потребуется лист 30х35 см . Удаление от верха каменки до дна бака — минимум десять сантиметров.
- Задняя стенка полностью заваривается, на фасаде монтируется дверца.
- Сверху крепится муфта из стальной полосы толщиной в 400, 500 или 530 мм. Ширина её – примерно 5 см . Половина приваривается к корпусу, а выступающая часть используется для сборки.
- При монтаже дымохода оставляйте треть площади верха бака не заваренной , чтобы можно было заливать воду. К отверстию залива приделывается дверца с ручкой.
- Внизу бака приваривают кран с вентилем.
Важно! Каменка заполняется булыжниками только на половину пространства. Можно входное отверстие снабдить прутком из железа, чтобы не дать булыжникам вывалиться.
Вертикальное самодельное устройство
В конструкции, устроенной по вертикальному принципу, колосники располагаются над каменкой.

Диаметр печки будет зависеть от калибра выбранной трубы .
При монтаже вертикальной банной печи своими руками придерживаются следующего алгоритма:
- Отрезают часть трубы длиной примерно 0,8 м.
- Зачищают отрезные края.
- Снизу приваривают днище — круг такого же диаметра, что и сама труба.
- Вырезают внизу проём поддува.
- Монтируют колосники. Они располагаются несколько выше отверстия поддува.
- Вырезают над колосниками щель топочного отсека.
Сверху печи делается отверстие для дымохода. Все проёмы снабжаются подогнанными по размеру дверцами. После проделанной работы печку шлифуют и покрывают краской.
Горизонтальная конструкция своими руками: фото
Отличительная черта этого типа устройства — вынос топки из парилки в предбанник , что делает розжиг проще и быстрее. Но и места горизонтальным печам требуется гораздо больше.

Фото 2. Печь горизонтальная с облицовкой из кирпича, расположенная в предбаннике, требующая достаточно большого места для установки.
Для изготовления прибора берётся отрез трубы размером 0,8 м , зашлифовываются проёмы. Снизу устанавливается колосник. Для него годится металлический лист, достаточный для того, чтобы выкроить прямоугольник нужного размера. В материале вырезают середину, края при этом оставляют не слишком узкими. Затем приваривают прутья из металла. Готовый колосник монтируют к корпусу.

Фото 3. Самодельная горизонтальная банная печь с баком для воды и отсеком для камней.
Для задней секции прибора годится металлический прямоугольник, немного превосходящий по величине диаметр трубы. Если планируется установка каменки, это нужно учесть при раскрое и добавить больший припуск.
Примерно таких же размеров будет лист для фасада . В нём вырезают отверстия для топки и поддува. Затем форма приваривается к передней части трубы. Сверху корпуса вырезается квадратное отверстие примерно 12х12 см . Это будет дымоход. Далее навешивают дверцы.

Фото 4. Металлическая банная печка небольшого размера с топкой и поддувом, с отверстием для дымохода.
Перед покраской агрегат тщательно очищают от налёта и ржавчины. В качестве отделки можно облицевать конструкцию кирпичом.
Внимание! Если вы красите печь, по окончании процедуры протопите её на улице!
Чем руководствоваться при выборе проекта: какую конструкцию лучше использовать
Решая, какой тип печи выбрать, горизонтальный или вертикальный, какую лучше трубу использовать, опирайтесь на собственные предпочтения, на уровень своих ресурсов и квалификацию .

- Придётся учитывать размеры предбанника и парилки.
- Преимущество устройств горизонтального типа состоит в том, что из-за низкого расположения корпуса и длинной топки площадь нагрева булыжников больше.
- Так повышается естественная конвекция горячего воздуха в парилке.
- Если размеры помещения позволяют, лучше выбрать горизонтальный агрегат.
Необходимые материалы
Для изготовления банной печи потребуются:
- Труба из любого металла диаметром 50 см и длиной до полутора метров. Важно, чтобы стенки были целыми, без прорех и заплат. Если имеется дырка, можно на этом месте сделать топку.
- Муфта.
- Металлические листы со стороной не меньше диаметра трубы.
- Ёмкость с вентилем.
Потребуются инструменты – сварочный аппарат, ножовка по металлу.

Печь из трубы вертикальная. Почему труба лучше
Печь, установленная вертикально, занимает вдвое меньше пространства, чем если бы корпус был кубической или прямоугольной формы. Последний вариант можно легко собрать из стального листа и металлопрофиля, но в большинстве случаев любителями парной предпочитается печь из трубы большого диаметра. Причин популярности конструкции печи для бани из трубы диаметром в 530 мм несколько:
- Водопроводная труба в 530 мм со стенкой в 6 мм изготовлена из металла приличного качества и прошла проверку гидроопрессовкой, поэтому печь получится без дыр или прогаров в топке;
- Чтобы изготовить печь из трубы, понадобится выполнить значительно меньший объем работ. Чем меньше сварочных швов, тем больше надежность конструкции и ниже риск отравления продуктами горения при посещении бани;
- За счет термической и механической обработки трубной заготовки печь из вертикальной трубы значительно меньше подвержена местным деформациям из-за многократных циклов – нагрев-охлаждение.
К сведению! Печь из вертикальной трубы будет тяжелее на 20-30% конструкции, сваренной из листового металла.
Небольшое превышение веса не сказывается на возможности ее доставки и установки в бане. Более того, форма корпуса в виде трубы позволяет использовать тележку-баллоновоз или прокатить «своим ходом», надев на корпус пару старых скатов от автомобильных колес.
Для обычной бани, с парилкой в 15-20 м3, ее возможностей прогревать воздух хватит с избытком, и места вертикальная печь в помещении бани займет меньше, чем стопка дров для ее растопки. Диаметр вертикальной печки позволит «втиснуть» ее в самую маленькую парилку бани, существует вариант даже для квартирной парилки.
Правильная печь для бани из трубы. Коротко о печах из труб
Прежде всего необходимо сказать о положительных качествах таких печей. Как и обычные железные печи, она легка в установке, уходе и эксплуатации, однако плюсом именно самодельной печи является низкая стоимость.
Также стоит вспомнить о негативных качествах такой печи: плохая теплоёмкость, а также низкий уровень пожаробезопасности. Минусы существенны, однако не торопитесь отказываться от такой печи, ведь все они легко устраняются, например, риск возгорания сводится к минимуму кирпичным или металлическим экраном, гасящим ИК-лучи, которые излучает печь.

Переходя к разговору об изготовлении печи для бани из трубы, необходимо уточнить, что инструкции будет две, ведь печь из трубы может быть построена вертикально и горизонтально, что крайне важно для некоторых бань.
Плюсы и минусы таких печей
Требуемые свойства для материала, используемого при изготовлении печи, это обладание жаростойкостью, прочностью, долговечностью, устойчивостью к коррозии. Кроме того, он должен противостоять резким температурным перепадам и обладать хорошей тепло проводимостью.
Чёрный металл, из которого изготавливается толстостенная труба диаметром 500-600 мм, нельзя назвать полностью не поддающимся коррозии. Но именно она оптимально подходит для самостоятельного производства печи для бани, так как отвечает практически всем перечисленным выше требованиям.
Имея толщину стен не меньше 8 мм, делает печь в бане достаточно теплоёмкой, в которой сохраняется тепло, когда топливо уже прогорело. А круглое сечение внутри неё позволяет эффективно распространяться теплу.
Применение трубы, имеющей круглую форму для печи в баню, сводит к уменьшению протяжённости сварочных швов — это самые первые места образования коррозии , и именно через них выходит угарный газ. Кроме того, этот вариант остаётся самым дешёвым, хотя цены на чёрный металл растут.

Принцип работы
Обычный костер не обеспечивает рациональное использование топливных ресурсов. Значительная часть энергии бесполезно улетучивается в окружающее пространство. Отсутствует конвекционные процессы, накопители тепла. Невозможна точная регулировка процесса горения. Доступ кислорода ничем не ограничен.
С применением дымовой трубы и закрытой рабочей зоны отмеченные недостатки устраняются. Однако реактивная печь отличается более высокой эффективностью по сравнению с типовой «буржуйкой». Главное отличие – дымовая труба, размещенная внутри основной конструкции. Увеличение пути выхода газов сопровождается постепенным снижением температуры на разных участках (пример, значения приведены в C°):
- центральная шахта (райзер): 700-1100;
- промежуток между стенками: 250-380;
- участок под лежанкой: 30-90.
Улучшенная тяга в конструкции реактивной печи
На рисунках показаны особенности конструкции, которые обеспечивают достаточную тягу при увеличении длины пути удаления дыма. Другое преимущество – высокотемпературное разложение органики при ограниченном поступлении кислорода (пиролиз).
Если печь ракета своими руками создана правильно, обеспечиваются благоприятные условия для образования низкомолекулярных углеводородных соединений. Обогревающие устройства такого типа способны обеспечить КПД более 90%. Аналогичные решения используют при конструировании бытовых котлов на твердом топливе длительного горения.
Виды и характеристики
По расположению в пространстве печи, изготовленные из трубы, делятся на следующие виды:
- вертикальные;
- горизонтальные.

Вертикальная печь внешне похожа на печку-буржуйку, однако имеет отличия – дополнительное вместилище для камней и емкость для воды.
Вертикальная самодельная печь занимает меньше пространства , что имеет большое значение при небольших габаритах парной, однако по той же причине она уступает горизонтальной печи по времени горения и интенсивности теплообмена. В процессе горения топлива тепло уходит вверх, боковые стенки не успевают сильно прогреться. В горизонтальной печи процесс идет иначе – поскольку прогретый воздух по пути к дымоходу попутно нагревает и свод корпуса. Исходя из этого ясно, что КПД горизонтальной печи будет выше, чем вертикальной. Главным недостатком такой конструкции принято считать расположение дверей поддувала и топки непосредственно в парной.
Топливо в вертикальной трубе сгорит быстрее, если не прикрыть дверцу зольника, приостановив тем самым доступ кислорода к огню. В такой трубе огонь взаимодействует сразу со всем объемом дров, в то время как в горизонтальной трубе топливо расходуется постепенно, что более логично для топки бани. Также в горизонтальном виде печи больше охват нагревания камней и выше конвекция горячего воздуха, к тому же дверцы поддувала и топки, которые расположены в самом конце трубы, дают возможность вынести их из парной комнаты. И первый, и второй тип можно изготовить своими руками.
Источник: https://bannye-pechi.postroivsesam.info/stati/kak-svarit-kotel-v-banyu-iz-metallicheskoy-truby