Как сделать печь для бани из газового баллона своими руками. Небольшая печка из маленького баллона
- Как сделать печь для бани из газового баллона своими руками. Небольшая печка из маленького баллона
- Печь для бани из баллона. Выбор конструкции
- Как сделать печь в баню из металла. Металлическая печь для бани своими руками: особенности печи из металла, проектирование и устройство, правила сооружения и отделки
- Печь для бани из двух газовых баллонов. Как сварить печь для бани из трубы или баллона
- Печь для походной бани своими руками. Обустройство переносной бани своими руками
- Простая печь своими руками. Как сложить самую простую печь из кирпича?
Как сделать печь для бани из газового баллона своими руками. Небольшая печка из маленького баллона
Для небольшой парилки объемом в 8-10 кубов достаточно будет сделать печку из маленького газового баллона. Обычно используют 27 литровые баллоны. Толщина стенки у низ замечательная — 6 мм. Без крана их высота 500 мм, диаметр 300 мм. Получается замечательная маленькая печка.
Сначала из баллона надо удалить остатки газа. Для этого в него заливают воду. Вода постепенно вытесняет все остатки газов. После того, как баллон наполнен можно срезать кран и приступать к изготовлению печи.
Сначала болгаркой аккуратно, в торце где был кран, вырезаем отверстие под дверку топки. На одном из боков, которые оказались под длинной стороной вырезанного отверстия под дверку, устраиваем своеобразную колосниковую решетку. Берем дрель и свело 10 мм, через каждые 20 мм сверлим дырки. Всего рядов 5.
Отверстия зольника должны получиться на «дне»
Над отверстиями привариваем кусок швеллера. В нашем случае его ширина 140 мм. Заднюю стенку завариваем к передней потоп приделаем дверку. Получится зольный ящик. Его минус, что в данном варианте он не выдвижной. При желании конструкцию можно усовершенствовать, сделав отдельный ящик.
Наварили швеллер
В качестве подставки к швеллеру приварена защитная конструкция, которая закрывала кран. Экономно и вполне надежно.
Подставка сделана из защитной конструкции
На зольник и к топке закрепили дверки, ближе к задней части топки приварили патрубок дымохода (сначала приварили, потом внутри сваркой вырезали металл).
Дверки установлены на место
Провели пробную растопку. При наличии высокой трубы — более 2,5 метров тяга отличная.
Пробная растопка
Как показали испытания, парилка 2,5*2,5*2,3 м с 3°C до 25°C была нагрета меньше за полчаса (почти без утепления, так как баня не доделана). Дальше топить перестали, надо усовершенствовать: слишком жесткое тепло излучается.
Как сделать печь для бани из листового металла читайте тут.
Печь для бани из баллона. Выбор конструкции

Самодельные банные печи изготавливаются не только из труб, но и из других подходящих материалов, к примеру, листового металла и газовых баллонов.
В большинстве случаев из металлических листов получается прямоугольный корпус, что по многим параметрам хуже корпуса из круглой трубы.
Следует отметить и сложность монтажа печи при помощи металлических листов, ведь в процессе необходимо выполнить раскройку, сделать заготовки и правильно скрепить. В случае с печью для бани из трубы 530 все гораздо проще, поскольку здесь работы производятся на уже готовом топливнике.
Информация. Круглые печки для бани гораздо проще чистятся, а также лучше в плане теплообмена с окружающим воздухом.
Преимущества трубы 500
Рассмотрим более подробно преимущества трубы цилиндрической формы перед другими возможными материалами для изготовления банной печи.
Итак:
- Топка округлой цилиндрической формы весьма схожа с идеальной сферической, благодаря чему, с точки зрения теплотехники, превосходит печи прямоугольной формы;
- В большинстве случаев для изготовления банной печи применяются толстостенные трубы, что существенно повышает технические параметры конструкции;
- Также, благодаря толстым стенам используемых водопроводных труб, срок службы банной печи довольно долгий. При этом габариты механизма позволяют его передвигать и транспортировать.
Безусловно, у данной конструкции есть и весьма существенные недостатки, которые отчасти исходят из тех же самых достоинств, поскольку для обработки труб подобной толщины понадобится гораздо больше материалов и более мощные инструменты.
Характеристики материала
Прежде, чем начинать работы по обустройству самодельной печи, важно правильно подобрать саму трубу.
Каждая из них имеет маркировку, составляющие цифры которой определяют следующее:
- Способ, которым труба была изготовлена;
- Стандарт производства;
- Размер трубы;
- Марка стали.
Для того, чтобы остановить свой выбор на том или ином варианте трубы, из ее маркировки необходимо выяснить размеры.
К примеру, обозначение 500х10 говорит нам о диаметре трубы и толщине стенки.
Самодельная печь для бани из трубы горизонтальной, а также вертикальной конфигурации должна как можно более равномерно прогреваться за кратчайший промежуток времени.
Безусловно, количество потраченного при этом топлива должно быть минимальным.
Наиболее подходящими считаются следующие размеры:
- Диаметр используемой трубы должен быть не более 550 мм;
- Оптимальная толщина стенки – от 9 до 13 мм.
Внимание! Печь с подобными размерами позволит без большого расхода энергоресурсов прогреть помещение максимально быстро и качественно. При этом металлическая труба не будет подвержена изменению размеров из-за критических перепадов температур.
Чертежи
Первым этапом любого строительного процесса является составление чертежей.
Благодаря чертежам печи для бани из трубы 530 места для установки всех компонентов продумываются заранее, то бишь исключаются все возможные риски.
Информация. Чертеж печи для бани из трубы 400 можно изготовить самостоятельно, однако в этом случае вы должны обладать необходимыми для этого знаниями и навыками.
Безусловно, если вы не имеете опыта в подобных делах, можно использовать уже готовые чертежи или обратиться за помощью к профессионалам.
Что понадобится
Изготовление банной топки без помощи профессионала требует максимальной готовности, особенно в вопросе расходных материалов и требуемых инструментов. Для данных работ нам понадобится:
- Небольшой отрезок трубы;
- Основной отрез трубы из металла, длина которого должна быть не менее 150 см, а диаметр – 50 см;
- Лист металла с толщиной не менее 12 мм;
- Металлические пруты. Используются они для создания колосников. Также можно приобрести готовые колосники в специализированных магазинах;
- Болгарка;
- Петли из металла, в случае, если дверцы изготавливаются самостоятельно;
- Сварочный аппарат.
Важно! В целях экономии рекомендуется приобретать не цельные трубы, а их отрезки.
Горизонтальная конструкция и процесс ее изготовления
Прежде, чем начинать работы, трубу большего размера следует разрезать на две части при помощи болгарки.
Первый отрезок должен быть длиной в 60 см, а второй – 90 см.
Отрезок большего размера будет выполнять функцию топки, а меньшего – бака для воды.
Как сделать печь в баню из металла. Металлическая печь для бани своими руками: особенности печи из металла, проектирование и устройство, правила сооружения и отделки
Без печи русская баня перестает быть баней по умолчанию. Поэтому тематическое изделие не просто служит источником огня, оно также символизирует отечественную парную купальню.
Вопрос в том, из чего возводить печь – из кирпича или металла? Если ставка сделана на последний материал, то будущий пользователь вместо того чтобы купить металлическую печь для бани, может собрать ее самостоятельно. Соответствующий проект не требует много времени и средств.

Особенности банной металлической печи
Тематическое устройство в готовом виде представляет собой компактный источник огня, выполненный из низкоуглеродистой стали. Поэтому по сравнению с кирпичной печью металлический аналог:
- Требует минимум деталей и расходных материалов для сборки;
- Быстро собирается из готовых деталей;
- Не занимает много места;
- Быстро нагревается.

Однако металлическая печь не лишена недостатков: хоть стенки конструкции нагреваются меньше чем за час, они точно так же быстро остывают. Это делает конструкцию пригодной лишь для небольших бань площадью 8-10 кв.м.

Причем прежде чем устраивать металлическую печь, придется отделать деревянные стены огнестойким кирпичом или металлическим экраном, предварительно проложив минеральную вату между основой и защитой. И вообще металлический очаг лучше устраивать на 0,5-метровом расстоянии от пиломатериала.

Мощность металлической печи
Источник огня из металла в зависимости от размеров топки, толщины стен и прочих показателей вырабатывает определенную температуру – до 50 0С и выше. Поэтому металлическая печь бывает:
- Горячего нагрева – устройство нагревает воздух выше 50 0С;
- Холодного нагрева – нагрев воздуха происходит до 50 0С.

Последний вариант актуален, если баней будет пользоваться человек с больной сердечно-сосудистой системой или если сама баня очень маленькая. Первый вариант – традиционный.

Конструкция металлической печи
В отличие от кирпичной печи металлический источник жара достаточно универсален. Эта универсальность во многом проявляется за счет разнообразия конструкций:
- Закрытые модели – очень компактные, предусматривают решетку для укладки камней, а также внутреннюю камеру для заполнения огнестойким материалом, способствующим теплостойкости;
- Открытые аналоги – выделяются емкостью для набора воды и открытым доступом к каменке;
- Комбинированные устройства – сочетают в себе элементы двух предыдущих образцов.

Также к комбинированным печам часто относятся модели, работающие за счет газа или электричества. Соответственно, угольные и дровяные печи – преимущественно безопасные закрытые и удобные открытые модели.

Проектирование металлической печи
Тематическое устройство собирается на месте из уже готовых деталей. Представить, как будет выглядеть металлическая печь для бани с баком поможет чертеж, в котором обязательно надо соблюсти:
- Топку – для сгорания топлива (размеры подбираются в зависимости от площади бани, но высота и ширина отсека практически одинаковые);
- Зольник – для сбора золы (устраивается в самом низу и имеет выдвижной ящик для доступа к отходам);
- Каменку – для нагрева камней (отсек находится над топкой, причем бывает закрытым или открытым);
- Бак – для сбора воды (емкость располагается выше каменки или топки);
- Дымоход – для нагрева воды и отвода дыма (труба начинается с топки и выходит наружу, т.е. за пределы кровли).

Соответствующие отделы завершаются дверцами для закладки топлива и чистки топки, а также дополняются трубопроводом с соответствующими вентилями для подачи воды и улучшения воздушной тяги.

Устройство трубы
Хоть сгорание топлива происходит внутри каменки, без трубы металлическая печь наполнит внутреннее пространство гарью. Поэтому необходимость отвода дыма всегда актуальна для бани. Чтобы дымоход нагревал воду, должна быть тяга, которой способствуют:
- Вывод дымохода наружу таким образом, чтобы он возвышался над самой верхней точкой конструкции;
- Отсутствие поблизости высоких деревьев и прочих характерных объектов;
- Зонтик на конце трубы (дефлектор), который позволяет последней не намокать;
- Большой диаметр трубы – не менее 100 мм.

Причем труба может проходить сквозь бак для сбора воды, а сама емкость – находиться на чердаке. Главное, чтобы отверстия для дымохода на каждом уровне предусматривали огнеупорную базальтовую обшивку. Участок кровли с отверстием для вывода дымохода отделывается листом металла.
Если чертеж металлической печи для бани не предусматривает обшивку каменки стальными листами (конструкция идет открытой), то камни накладываются впритык к трубе.

В этом случае последнюю лучше устраивать в центре, чтобы как можно больше камней контактировало с горячей магистралью. В закрытых печах труба может располагаться как в центре, так и сбоку.

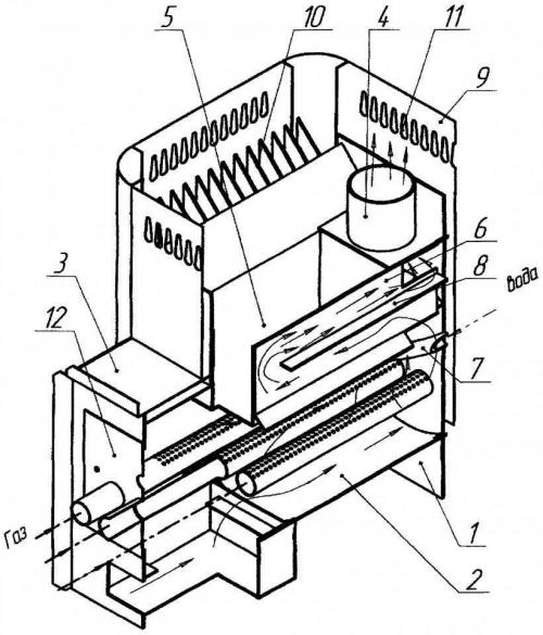
Печь для бани из двух газовых баллонов. Как сварить печь для бани из трубы или баллона

Самодельная печь для бани из трубы – достойная альтернатива источникам тепла заводского изготовления. Далеко не каждый любитель банных процедур может позволить себе такой агрегат, не говоря уже о том, чтоб построить добротную кирпичную печь, под которую и места не всегда хватает. В то же время, имея необходимый инструмент и навыки, железную печку можно сделать собственноручно в домашних условиях либо заказать знакомому сварщику. Отсюда и цель данной статьи — рассказать, как своими руками сварить банную печь из куска трубы большого диаметра или газового баллона.
Выбор подходящей конструкции печки
Вначале несколько слов о преимуществах такого подхода к решению вопроса. Вообще, самодельные печи для бани из металла делают не только из труб или баллонов, но и листовой стали — что у кого есть в наличии. Из листов обычно варят корпус прямоугольной формы, уступающий цилиндрическому по таким критериям:
- Сложность изготовления. Железная труба – это практически готовый топливник, а листовой металл еще нужно раскроить, порезать на заготовки и собрать в одно целое посредством сварки.
- По той же причине цена круглого изделия будет меньше, разве что вы все работы выполните самостоятельно.
- Цилиндрическая форма банной печи из трубы лучше в плане теплообмена с окружающим воздухом.
- Круглое сечение всегда предпочтительнее прямоугольного с точки зрения движения дымовых газов.
- Плоская стенка топливной камеры прослужит меньше и прогорит быстрее, чем труба такой же толщины, изготовленная из той же марки стали.

Корпус банного отопителя без каменки
Задачу по изготовлению печи из трубы или газового баллона принято решать 2 способами: сделать корпус горизонтальным либо вертикальным. Оба варианта имеют право на жизнь и обладают собственными плюсами и минусами. Вертикальная печка для бани компактнее горизонтальной и уместна в парной маленьких размеров, где каждый квадратный метр на счету. Но она уступает по длительности горения и эффективности теплообмена, что немаловажно.
Во время горения наибольшая часть теплоты поднимается кверху, боковые стенки прогреваются не настолько сильно. А вверху площадь поверхности обмена небольшая, зато есть выход наружу через дымоход, куда тепло с радостью и устремляется. Не так идут процессы в горизонтальной конструкции печи, там патрубок дымохода находится далеко и по пути к нему раскаленные газы отдадут часть тепла полукруглому своду корпуса.

Готовое изделие с сеткой для каменки и выносной топкой
КПД горизонтальной металлической печи, сваренной из трубы своими руками, будет всегда немного выше, чем вертикальной.
Похожая ситуация и с прогоранием дров. Внутри вертикального топливника пламя охватывает весь массив топлива, если не прикрывать подачу воздуха дверцей зольника. Но так баню не протопишь, ведь задача источника тепла – выдать много тепла за короткий промежуток времени. В топке, вытянутой в длину, пламя движется от лицевой части к задней, сжигая дрова постепенно и более эффективно. Один нюанс: подобный отопитель занимает больше места и подойдет не для всякой парилки.
Как сделать горизонтальную печь в баню
На просторах интернета можно отыскать немало информации по изготовлению разных печей для бани из металла, в том числе чертежи и видео. Информация не всегда полна и понятна обычным людям, встречается множество повторов. Поэтому ниже на фото и в чертежах представлен рабочий экземпляр металлической банной печи, сделанный экспертом нашего проекта Виталием Дашко из баллона диаметром 0.5 м с толщиной стенки 5 мм.

Примечание. Отопительный агрегат для бани из баллона несколько проще в изготовлении и удобнее в эксплуатации, что разъяснится далее. Сварить печь в баню можно таким же образом из трубы DN500 (внешний размер 530 мм).
Для проведения работ необходимо приготовить следующие дополнительные материалы:
- листовой металл (Сталь 10—20) толщиной 4 мм – на дверцы;
- асбестовый шнур – на уплотнение дверец;
- отрезок трубы DN150 для патрубка дымохода;
- арматура из низкоуглеродистой стали периодического профиля, подойдет диаметр 16—20 мм;
- уголок 25 х 3 мм;
Примечание. Если делается такая же печь из трубы DN500, то вдобавок понадобится листовая сталь толщиной 5 мм для монтажа боковых стенок топливника.
Рекомендации по подбору металла
Чтобы печь для бани получилась надежной и прослужила долгие годы, нужно правильно подобрать марку металла. Поскольку подобные теплогенераторы обычно собирают из подручных или купленных на металлоломе материалов, то среди обрезков может оказаться высокоуглеродистая либо легированная сталь, что крайне нежелательно. Оптимальный вариант – сталь с содержанием углерода до 2% (Ст10, Ст20).

Печь для походной бани своими руками. Обустройство переносной бани своими руками
Если вы хотите обзавестись портативной баней, то у вас есть два варианта – приобрести готовое фабричное изделие, либо соорудить ее своими руками из подручных материалов.
Как правило, походная баня состоит из:
Если у вас недостаточно свободных средств на покупку готового изделия, то лучше заняться обустройством бани с печкой самостоятельно. Однако стоит помнить, что для сборки такой бани-палатки в походных условиях все же требуется предварительная подготовка.

Прежде всего, следует позаботиться о сборке каркаса. Он может быть изготовлен из крепких полых труб, которые легко собрать в единую конструкцию, а после применения – разобрать. Однако подойдут и крепкие палки – их скрепляют крепкими веревками или проволокой. Размер каркаса должен быть достаточным, чтобы внутри поместились парильщики и печь с каменкой.
Следующий важный элемент – это тент. Обтянуть каркас обычной палаточной тканью нельзя, ведь она не рассчитана на очень высокие температуры. Оптимально для этих целей подойдет кусок толстого брезента или клеенка на тканевой основе. Основу палатки нужно обтянуть материалом так, чтобы при полном устройстве бани в нее можно было попасть только с одной стороны. Читайте также: «Как сделать походную баню своими руками – какую конструкцию выбрать».
Последнее, что требуется сделать – это собрать печь для походной бани своими руками. Для этого понадобятся специальные камни плоской округлой формы. Их можно захватить с собой перед выездом на отдых, либо поискать на месте, если такая возможность есть. Особая форма камней позволяет лучше сохранять тепло и быстро прогреваться.
Собрать банную походную печь можно из палок или веток и камней. Их укладывают поочередно таким образом, чтобы в нижней части образовалась ниша для растопки дров, вокруг которой и сверху сложены камни, накапливающие тепло при горении топлива.

Как только печь для переносной бани собрана, можно приступать к растопке дров или угля. Поскольку в такой самодельной печи никакой дымоход не предусмотрен, все время, пока она будет топиться, вход в палатку должен быть открыт, чтобы угарный газ и дым выходили наружу.
В то время, пока будет топиться печь и накаляться камни, следует уложить на пол подушку из листьев или хвойных лап, расставить лавки и оборудовать место для отдыха. Протапливание сделанной своими руками печки для походной бани нужно продолжать до накаливания камней до красного или белого цвета. После этого можно тушить огонь, убрать все тлеющие угли и золу и плотно закрыть вход в палатку. В этот момент можно приступать к парению.

Таким образом, чтобы организовать отдых на природе, совместив его с парением в походной бане, нужно заранее подготовиться. Это значит, что следует заготовить все для сооружения печи для мобильной бани, то есть камни и топливо, а также приобрести брезент и сделать легкий портативный каркас для палатки. Все остальные подручные средства в виде листьев, хвороста или мелких дров, можно найти на месте.
Простая печь своими руками. Как сложить самую простую печь из кирпича?
Для начала нужно решить, что вы хотите получить от будущей печки. Если вам нужно только отапливать комнаты, а для приготовления еды вы пользуетесь баллонным газом или электричеством, то выбирайте вариант без плиты и духовки. Тот, кто любит мягкое целебное тепло, выбирает вариант с лежанкой.
Для регулярной тепловой обработки большого количества продуктов и кормов для домашних животных простейшая печь с варочной поверхностью будет в самый раз.
Мы рассмотрим три примера печей с пошаговым руководством по их кладке:
- Простую прямоточную;
- С варочной плитой;
- Отопительную.
Скажем сразу, что от простой конструкции, лишенной газовых оборотов, ждать высокой теплоотдачи нельзя. По этой причине такие печи ставят в гаражах и других небольших помещениях площадью не более 16 м2.
Мы рассмотрим этот вариант для того, чтобы новички получили первый несложный урок практической кладки.
Прямоточная отопительная конструкция рассчитана на обогрев небольшой комнаты
Под такую печку не нужен мощный фундамент. Отсыпав крупную щебенку слоем в 15-20 см, залив ее цементным раствором и выровняв поверхность по уровню, через пару дней можно приступать к кладке.
Размеры печи в плане: ширина 2 кирпича (51 см), глубина 2,5 кирпича (64 см). Поскольку поддувальной камеры в ней нет, то отверстия для поступления воздуха сверлят прямо в топочной дверке.
Шестой ряд перекрывает дверку топочной камеры. Вид сверху помогает лучше понять способ раскладки кирпича.
Порядовки у такой конструкции несложные. Главное условие во время работы – соблюдать перевязку швов так, чтобы верхний кирпич закрывал шов между двумя нижними.
На восьмом ряду топливник зауживают, используя для этого половинки и «трехчетвертки» — ¾ от целого кирпича. Выход из топки таким образом получается сечением в 1 кирпич (125х250 мм).
Следующий ряд (девятый) выкладывают так же как седьмой, используя целый кирпич.
После этого ярус кирпича ставят на ребро заподлицо с внутренней гранью нижнего ряда. Новый ярус кладут плашмя, используя два целых кирпича и четыре «трехчетвертки». Таким способом дымовой канал снова зауживают для того, чтобы задержать газы и поднять теплоотдачу.
На следующем ярусе камни кладут на ребро. Посередине дымового канала ставят кирпич. Таким способом печь поднимают еще на пять рядов (один ярус на ребро и кирпич посередине, другой ярус плашмя).
Остальные четыре яруса кладут плашмя. Последними двумя рядами кладки дымовой канал зауживают до размера 12х12 см (полкирпича). На этом уровне в печь ставят дымовую задвижку. Сверху в нее вставляют стальную трубу.
