Печи для бани из кирпича проекты и их описание. Кирпичные банные печи: история
- Печи для бани из кирпича проекты и их описание. Кирпичные банные печи: история
- Кирпичные печи для бани схемы кладки. Виды печей для бань
- Проект печи для бани из металла. Металлическая печь для бани своими руками: особенности печи из металла, проектирование и устройство, правила сооружения и отделки
- Банная печь из кирпича с баком для воды. Возведение кирпичной печи в бане – основные детали процесса
- Печь для бани из кирпича порядовка. Проекты банных печей с порядовкой
- Мини-печь для бани из кирпича. Как построить печь из кирпича для бани – от теории до практики
- Бюджетная печь для бани из кирпича. Кирпичная печь для бани своими руками
Печи для бани из кирпича проекты и их описание. Кирпичные банные печи: история
Исторический момент тоже важен: понимание того, как развивается русская баня, способно указать на самое существенное в ней.
Вот первые печки складывались просто из камня, даже на раствор его не клали — груда камней над костром , грубо говоря. И трубы не было — дым стелился по всей избе (да, баня прямо в избе делалась, никаких дворовых построек, она же и отапливала) и утекал в окна и двери. До 15 века такие бани были наиболее распространенными на Руси.

Печь для бани из кирпича
Первым нововведением стала все-таки труба, но сделанная из дерева , она часто становилась причиной пожара (причина проста — дерево воспламеняется при температуре меньшей, чем у печных газов на выходе из топки).
Следом изобрели нечто среднее между печью «по-белому» и «по-черному» — для этого над очагом поставили что-то вроде вытяжки (колпак, на вершине которого находилась дымоходная труба). Но и это еще не кирпичная печка.
Революцию же, как и следовало ожидать, совершил Петр I — во-первых, он вывез из Голландии десяток печей вместе с мастерами , во-вторых, запретил в столицах устроение печей, которые топились «по-черному». А в итоге получилось то же самое, что с картошкой — прижилась кирпичная печь , стала как родная.
Надеемся, вы углядели главное — русская баня изначально отапливалась печами периодического действия с проточными каменками , которым не хватало только изоляции камнем очага да трубы дымоходной. А когда пришла кирпичная, то она все эти проблемы разом и решила. Особенности выбора печей для саун представлены в отдельной статье .
Кирпичные печи для бани схемы кладки. Виды печей для бань
В первую очередь нужно подобрать подходящий готовый проект печи. Опытные печные мастера умеют разрабатывать собственные схемы применительно к условиям кладки и эксплуатации. Значит, нужно воспользоваться их опытом и взять готовую схему, а для этого надо понимать, какие существуют кирпичные печи для бани.

Четко классифицировать отопители по видам весьма затруднительно, их слишком много, но условно все разработки можно разделить на группы по таким критериям:
- способ передачи тепла в помещение;
- расположение каменки;
- способ подогрева воды.
Эффективность теплоотдачи во многом зависит от конструкции и принципа действия отопителя. По данному критерию существующие виды печей можно поделить на:
- канальные: название явствует о том, что печка имеет один или множество каналов (газоходов) для дымовых газов. Последние, проходя по этим каналам, отдают тепло кирпичным стенкам. Газоходы могут проходить в теле печи как вертикально, так и горизонтально;
- колпаковые печи И. В. Кузнецова: здесь принцип теплоотдачи иной, продукты горения отдают теплоту, скапливаясь в пространстве под специально сделанным колпаком. Причем выйти оттуда они могут только после остывания, поэтому печь выходит очень теплоемкой.
Совет. Колпаковые печи весьма сложны в исполнении, домашнему мастеру без опыта построить такой вряд ли удастся. Поэтому новичку лучше начинать осваивать кладку кирпичных печей канального типа.
Засыпка из камней (каменка) может располагаться как внутри печи, так и быть открытой. На качество работы этот критерий особо не влияет. А вот способ подогрева воды может повлиять на длительность протапливания парной. Здесь существуют такие технические решения:
- регистр из стальных труб или бак из нержавейки, встроенный в тело печи, а точнее, в газоход;
- варочная плита: вода подогревается на ней в больших емкостях.
Нужно учесть, что хорошая печка из кирпича с варочной плитой хоть и прогреет парилку быстрее, но неудобства с горячей водой в кастрюлях не сравнить с проточным теплообменником внутри газохода, соединенным с накопительным баком.
Проект печи для бани из металла. Металлическая печь для бани своими руками: особенности печи из металла, проектирование и устройство, правила сооружения и отделки
Без печи русская баня перестает быть баней по умолчанию. Поэтому тематическое изделие не просто служит источником огня, оно также символизирует отечественную парную купальню.
Вопрос в том, из чего возводить печь – из кирпича или металла? Если ставка сделана на последний материал, то будущий пользователь вместо того чтобы купить металлическую печь для бани, может собрать ее самостоятельно. Соответствующий проект не требует много времени и средств.

Особенности банной металлической печи
Тематическое устройство в готовом виде представляет собой компактный источник огня, выполненный из низкоуглеродистой стали. Поэтому по сравнению с кирпичной печью металлический аналог:
- Требует минимум деталей и расходных материалов для сборки;
- Быстро собирается из готовых деталей;
- Не занимает много места;
- Быстро нагревается.

Однако металлическая печь не лишена недостатков: хоть стенки конструкции нагреваются меньше чем за час, они точно так же быстро остывают. Это делает конструкцию пригодной лишь для небольших бань площадью 8-10 кв.м.

Причем прежде чем устраивать металлическую печь, придется отделать деревянные стены огнестойким кирпичом или металлическим экраном, предварительно проложив минеральную вату между основой и защитой. И вообще металлический очаг лучше устраивать на 0,5-метровом расстоянии от пиломатериала.

Мощность металлической печи
Источник огня из металла в зависимости от размеров топки, толщины стен и прочих показателей вырабатывает определенную температуру – до 50 0С и выше. Поэтому металлическая печь бывает:
- Горячего нагрева – устройство нагревает воздух выше 50 0С;
- Холодного нагрева – нагрев воздуха происходит до 50 0С.

Последний вариант актуален, если баней будет пользоваться человек с больной сердечно-сосудистой системой или если сама баня очень маленькая. Первый вариант – традиционный.

Конструкция металлической печи
В отличие от кирпичной печи металлический источник жара достаточно универсален. Эта универсальность во многом проявляется за счет разнообразия конструкций:
- Закрытые модели – очень компактные, предусматривают решетку для укладки камней, а также внутреннюю камеру для заполнения огнестойким материалом, способствующим теплостойкости;
- Открытые аналоги – выделяются емкостью для набора воды и открытым доступом к каменке;
- Комбинированные устройства – сочетают в себе элементы двух предыдущих образцов.

Также к комбинированным печам часто относятся модели, работающие за счет газа или электричества. Соответственно, угольные и дровяные печи – преимущественно безопасные закрытые и удобные открытые модели.

Проектирование металлической печи
Тематическое устройство собирается на месте из уже готовых деталей. Представить, как будет выглядеть металлическая печь для бани с баком поможет чертеж, в котором обязательно надо соблюсти:
- Топку – для сгорания топлива (размеры подбираются в зависимости от площади бани, но высота и ширина отсека практически одинаковые);
- Зольник – для сбора золы (устраивается в самом низу и имеет выдвижной ящик для доступа к отходам);
- Каменку – для нагрева камней (отсек находится над топкой, причем бывает закрытым или открытым);
- Бак – для сбора воды (емкость располагается выше каменки или топки);
- Дымоход – для нагрева воды и отвода дыма (труба начинается с топки и выходит наружу, т.е. за пределы кровли).

Соответствующие отделы завершаются дверцами для закладки топлива и чистки топки, а также дополняются трубопроводом с соответствующими вентилями для подачи воды и улучшения воздушной тяги.

Устройство трубы
Хоть сгорание топлива происходит внутри каменки, без трубы металлическая печь наполнит внутреннее пространство гарью. Поэтому необходимость отвода дыма всегда актуальна для бани. Чтобы дымоход нагревал воду, должна быть тяга, которой способствуют:
- Вывод дымохода наружу таким образом, чтобы он возвышался над самой верхней точкой конструкции;
- Отсутствие поблизости высоких деревьев и прочих характерных объектов;
- Зонтик на конце трубы (дефлектор), который позволяет последней не намокать;
- Большой диаметр трубы – не менее 100 мм.

Причем труба может проходить сквозь бак для сбора воды, а сама емкость – находиться на чердаке. Главное, чтобы отверстия для дымохода на каждом уровне предусматривали огнеупорную базальтовую обшивку. Участок кровли с отверстием для вывода дымохода отделывается листом металла.
Если чертеж металлической печи для бани не предусматривает обшивку каменки стальными листами (конструкция идет открытой), то камни накладываются впритык к трубе.

В этом случае последнюю лучше устраивать в центре, чтобы как можно больше камней контактировало с горячей магистралью. В закрытых печах труба может располагаться как в центре, так и сбоку.

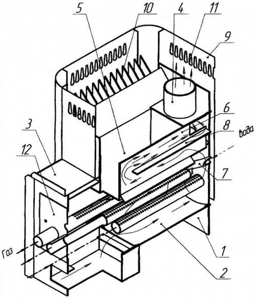
Банная печь из кирпича с баком для воды. Возведение кирпичной печи в бане – основные детали процесса

Долговечной и красивой декоративной альтернативойстанет кирпичная печь для бани. Хоть ее возведение требует немало сил, времени, денежных затрат, но прослужит она десятилетия, не теряя привлекательности и рабочих свойств.
Кладка может быть выполнена с нуля на заказ с выбором индивидуального дизайна, размеров. Гораздо дешевле обойдется самостоятельное строительство. Важно просто придерживаться пошаговых инструкций опытных печников.
Пользователи часто ищут:
- Интерьер бани из бревна
Конструкция банных каменок
Печное оборудование устанавливают в парилке. Его основная функция – отопление помещения, выработка пара. Постоянный диапазон температур в парной – от 40 до 100 градусов.
В каменке есть топливник для дров, закрытая камера, куда сверху свода топливника кладут каменные булыжники, чугунные чушки. Средняя толщина слоя – до 22 см. Чугунные чушки быстрее камней набирают температуру, что ускоряет нагрев каменки. В своде специально оставляют щели. Через эти зазоры потом сквозь булыжники проходят дымовые газы и по дымооборотам выходят в трубу наружу.
Чтобы получить пар, раскаленные камни через специальное отверстие поливают водой. В этот же проем выходит пар.

Для парных в маленьких банях под аркой сверху топливника крепят змеевик, где будет нагреваться вода. В больших русских банях, где вода подается централизовано из котельных, змеевик не монтируют.
Чтобы повысить прочность каменки, можно поместить ее в каркас из металла.
Различные проекты: фотогалерея
На фотографиях наглядно показаны способы оформления, кладки печей для бань разной площади, техники укладки кирпичей, идеи красивой отделки.
Плюсы и минусы банных печей из кирпича
В пользу кирпичной печи стоит выделить следующее:
- Экологичность сырья, что безопасно для здоровья.
- Длительный срок службы. Она может служить до 100 и более лет.
- Износостойкость и прочность материала.
- Возможность долгое время удерживать и отдавать тепло. Вода в баке, нагретая с вечера, будет теплой до утра.
- Выработанный пар получается хорошего качества.
- Продукты горения не проходят через внутреннюю каменку.
- Печка способна обогреть большие помещения.
- Кирпич относится к пожаробезопасным материалам.

Из минусов пользователи отмечают то, что:
- Построить конструкцию быстро и без опыта не выйдет. Здесь нужно правильно составить чертеж, провести расчеты, понимать принципы кирпичной кладки.
- Печь имеет большой вес. Поэтому под нее в обязательном порядке заливается надежный фундамент.
- Конструкция нагревается долго, в сравнении с металлическим аналогом.
- Длительный нагрев влечет за собой повышенный расход древесного топлива.
- Высокая стоимость работ (при заказе у печника). Большие денежные траты на покупку материалов.
Несмотря на такое количество недостатков плюсы конструкции гораздо весомее, из-за чего спрос на строительство кирпичной печи с баком для воды только растет.
Виды топки
Печи различают по тому, как сложена топка. От это зависит способ использования устройства, качество пара.
По-черному
Старинный вариант оборудования. Дымоход отсутствует. Таким способом возводили печи наши предки.

В топке бани по-черному расход дров для отопления минимален, но весь дым и сажа попадают внутрь помещения. Из-за чего стены быстро покрываются копотью.
Конструкция относится к ряду с повышенной пожарной опасностью.
Большинство печников отказалось от этого способа кладки топки.
По-серому
В сером варианте устройства печь оснащена дымоходом. Но он построен так, что часть отходов от горения (сажа, копоть) оседают внутри кирпичных стенок дымоходной трубы. Поэтому всегда есть риск возгорания внутри печи и перехода пламени на помещение.

При такой топке нужен постоянный контроль. Не рекомендуется оставлять баню без присмотра до тех пор, пока полностью не прогорят все дрова.
По-белому
Имеется полноценный дымоход, через который весь дым выходит наружу, не попадая внутрь помещения.
В таких печах камни закрыты плотной крышкой из металла, дверцей (на выбор). Их открывают только после того, как прогорели все дрова.
Встречаются изделия, где камни отделяются от дымовых газов варочной плитой. Печь работает постоянно (для принятия бани выполняют подогрев) или периодически (тщательная единоразовая топка перед принятием бани).

Для отопления банных каменок рекомендуется пользоваться дровами лиственных пород. Они не выделяют смолянистой гари после прогорания. Дровяную печь проще регулировать и поддерживать ее температуру на одном уровне.
Применять уголь не рекомендуется. Он быстро нагоняет высокую температуру, которую сложно регулировать. Дым очень вреден для дыхательной системы. Стенки перегреваются и со временем начинают лопаться.
Печь для бани из кирпича порядовка. Проекты банных печей с порядовкой
Кирпичная печь: порядовка и проектирование
Существуют готовые проекты, однако они зачастую не удовлетворяют всем потребностям. Такая печь, порядовка которой уже спроектирована, зачастую требует доработки. Изменение порядовки должно фиксироваться в проекте с точной прорисовкой каждого ряда кирпичной кладки. Чтобы быть уверенным на все 100%, после корректировки проекта его необходимо показать специалисту и согласовать с ним все нюансы будущей печи.

Готовый проект печи
Главное правило, которое нужно учитывать при проектировании печи – это безопасность ее эксплуатации, поэтому консультация специалиста является необходимой мерой.
Внося поправки и изменения в готовый проект следует учитывать особенности строительства:
- топка в каменках должна быть большой;
- колоссники укладываются вдоль поддувальной части печи;
- при сооружении каменки, возвышающейся на топкой, необходимо обеспечить высоту топливника равную примерно девяти рядам кирпичной кладки;
- расстояние между печью и прочей обстановкой бани, выполненной из дерева, должно быть не менее 35 см;
- каждый ряд кладки проверяется с помощью строительного уровня;
- кладка начинается от установленных створок печки;
- дымоход печки на отрезке между каменкой и крышей обязательно покрывается теплоизолятором.
При строительстве топливника, следует учитывать его назначение – обеспечение хорошего горения. Для нормального функционирования необходимо обеспечить достаточный приток воздуха. Этому способствует большой размер топки. По этой же причине поддувало также должно отличаться большими габаритами.
Колоссники большого размера обеспечивают необходимый приток воздуха, однако их зачастую бывает сложно подобрать. Выходом из этой ситуации является установка нескольких колоссников.
Высоту топливника следует сделать не менее 50 см, то есть около 9 кладок. Это обеспечит равномерное прогревание кирпичей. Если же высота топливника будет меньше, температура кирпичей упадет, а между ними постоянно будет скапливаться сажа.
Начиная кладку от створок, необходимо запастись полосками или асбестовыми шнурами для обмотки той части дверцы, которая примыкает к кирпичной кладке. В этой части кладка закрепляется с помощью прочной проволоки для фиксации швов. Чтобы обеспечить необходимую жесткость конструкции, рекомендуется проложить специальные канавки или пазы, в которые ляжет проволока.
Ниже представлен наглядный пример проекта, в котором бак, нагревающий воду, соприкасается непосредственно с каменкой. Это позволяет обеспечить дополнительный нагрев от дымохода.
Мини-печь для бани из кирпича. Как построить печь из кирпича для бани – от теории до практики
Несмотря на высокие характеристики металлических печей для бани, опытные печники все же отдают предпочтение кирпичным постройкам. Все дело в особой атмосфере, которая свойственна только печкам, сделанным из кирпича – здесь и мягкое тепло, и горячий, но достаточно приятный пар, и обширный спектр иных достоинств.

Помимо всего прочего, обязательно стоит отметить и очень хорошие визуальные качества такого оборудования. В данной статье речь пойдет о том, как делать кирпичные печи для бани своими руками.
Классификация печей для бани
Дровяные кирпичные печи для бани обустраиваются по одной из следующих схем:
- Печь «по-черному» . Эффективность такой конструкции проверена веками – такие печи издавна использовались в деревнях. За счет отсутствия дымохода достигается максимально насыщенный пар и аромат. Проблема заключается в том, что нужно каждый раз дожидаться, пока топливо прогорит до конца.
- Печь «по-серому» . Такая кирпичная банная печь оборудуется дымоходом, и сразу же появляются преимущества в виде большей экономичности и скорости прогрева бани. Недостаток все тот же – сажа в немалом количестве остается на камнях, и приходится ждать до тех пор, пока дрова не выгорят полностью.
- Печь «по-белому» . Достоинства подобных печей очевидны – полное отсутствие загрязнений в помещении и очень хорошее сохранение тепла. Правда, есть и минус – на прогрев такой печи может уходить до 12 часов, что существенно снижает удобство использования данного оборудования. Все дело в нагреве камней за счет металлической плиты перекрытия, что естественным образом замедляет прогревание.
- Печь с плитой . Для бани такое оборудование подходит очень хорошо. В такой конструкции присутствует бак, установленный на чугунной плите, как и банные камни. Плиты накрыты не полностью, что несколько ускоряет прогрев помещения. Бак с трех сторон закрывается кирпичными стенками, за счет чего удается поддерживать высокую температуру воды. В традиционной конструкции бак устанавливается поверх топки, а камни укладываются над дымоходом, но иногда камни с баком располагаются в другом порядке.
Бюджетная печь для бани из кирпича. Кирпичная печь для бани своими руками
Кирпичные печи для бани: виды, чертежи, преимущество и недостатки
Построить кирпичную печь может не только профессиональный печник, но и собственными руками вы тоже можете это сделать.
Конструкция каменок банных
Печь ставят в парной. Ее основное предназначение – нагнать пару и прогреть комнату. Держится температура в приделах – 35 до 110 градусов цельсия.
В каменке топливник для дров, камера закрытая, куда сверху укладывается камушки, чугунные чушки. Толщина слоя в среднем составляет – 25 см. Чашки чугунные разогреваются намного быстрее чем камни, из-за чего разогрев камней происходит быстрее. В своде делают специальные щели. Через эти отверстия проходит дым и по дымоотводу выходит из трубы на улицу. Чтобы получился пар, накаленные камушки через проем для него поливают водой. В это же отверстие выходит пар. Можно улучшить прочность каменки, поместив в каркас из метала ее.
Плюсы и минусы банных печей из кирпича
Плюсы
- Экологичное сырье, не вредит вашему здоровью;
- Большой срок службы. Она прослужит от 110 и больше лет;
- Очень прочный материал и износостойкий;
- Долгое время может сохранять и отдавать тепло. Вода, нагретая на них вечером, останется теплой до утра;
- Выработанный пар очень хорошего качества;
- Печь может обогреть очень большое помещение;
- Кирпич самый пожаробезопасный материал;
Минусы
- Быстро соорудить без опыта не получится. Здесь вам необходимо создать правильный чертеж, сделать расчет, знать принцип укладки кирпича;
- Сама печь имеет большой вес. Для этого под ней обязательно делается надежный фундамент;
- Кирпичная печь нагревается долго, аналоговая печь из металла значительно быстрее;
- Долгое разогревание печи влечет большой расход топлива.
- Большая стоимость услуг (при работе печника). Высокие денежные затраты на материал;
Даже несмотря на минусы кирпичной печи, плюсы более увесисты, спрос на данную печь с водой в баке только возрастает.
Разновидность топки
Разберем 3 вида топки: по черному, по-серому и по белому. Сами печи различаются по топкам, как они сложены. От этого зависит качества пара и способ использования.
- Топка по-черному
Старый вариант, в котором вообще нет дымоход. Этими печами пользовались наши предки. В такой топке расход материала для отопления минимален, зато весь дым и сажа попадают на прямую в помещение. Из-за этого стены становятся очень быстро черными (покрыты копатью).
- По серому
В этом варианте печи установлен дымоход. Построен так, что часть от горения садится внутри стенок дымохода.
- По белому
В данном варианте установлен настоящий дымоход, через него дым весь выходит полностью и не просачивается во внутрь комнаты. Для того чтобы отопить банных каменок пользуйтесь дровами лиственных пород. Эта порода не выделяет смолянистые гари после прогорания. Печь на дровах лучше всего поддерживать температуру на одном уровне.
Виды кирпичных каменок
Открытые каменки
Бани с наименьшей площадью идеально подходят с открытых каменок. В данном отсеки для камней, которые расположены сверху и навалены горкой. Они располагаются горкой. Они находятся над топкой.
Закрытая каменка
Печи с закрытыми каменками установлено специальное окошко для того, чтобы поливать жидкость на верхушку камней. Для того чтобы более быстрей разогреть помещение дверцу нужно придерживать открыть.
Самый важный минус такой установки — это то, что его большое количество часов надо растапливать. Но и в этом также есть и свои плюсы: остается длительное время в печи очень долго. Из-за этого закрытая печь имеет спрос у профессионалов банного ремесла.
Постоянного действия
У оборудование есть утонченные стенки и малый слой камней. Разогретые камушки держат температуру 250 – 360 градусов. Стабильная температура достигается с помощью автоматической системы регулирования.
Основное топливо – электричество и газ.
В электрических каменках можно увеличивать (уменьшать), изменять напряжение тока, а в газовых – можно регулировать подачу газа.