Как сделать печь для бани из газового баллона. Небольшая печка из маленького баллона
- Как сделать печь для бани из газового баллона. Небольшая печка из маленького баллона
- Печь для бани из швеллера. Банные печи своими руками: изготавливаем из металла по чертежам
- Печь для бани из старого котла. Основные составные части банного котла
- Печь буржуйка из газового баллона. Чем хороши печи буржуйки
- Как сделать печь в баню из металла. Металлическая печь для бани своими руками: особенности печи из металла, проектирование и устройство, правила сооружения и отделки
- Печь для маленькой бани. Как правильно выбрать?
- Печь из газового баллона. Особенности и разновидности самодельных печек из газового баллона
- Проверенная печь в баню своими руками. Конструктивные особенности и разновидности печей
Как сделать печь для бани из газового баллона. Небольшая печка из маленького баллона
Для небольшой парилки объемом в 8-10 кубов достаточно будет сделать печку из маленького газового баллона. Обычно используют 27 литровые баллоны. Толщина стенки у низ замечательная — 6 мм. Без крана их высота 500 мм, диаметр 300 мм. Получается замечательная маленькая печка.
Сначала из баллона надо удалить остатки газа. Для этого в него заливают воду. Вода постепенно вытесняет все остатки газов. После того, как баллон наполнен можно срезать кран и приступать к изготовлению печи.
Сначала болгаркой аккуратно, в торце где был кран, вырезаем отверстие под дверку топки. На одном из боков, которые оказались под длинной стороной вырезанного отверстия под дверку, устраиваем своеобразную колосниковую решетку. Берем дрель и свело 10 мм, через каждые 20 мм сверлим дырки. Всего рядов 5.
Отверстия зольника должны получиться на «дне»
Над отверстиями привариваем кусок швеллера. В нашем случае его ширина 140 мм. Заднюю стенку завариваем к передней потоп приделаем дверку. Получится зольный ящик. Его минус, что в данном варианте он не выдвижной. При желании конструкцию можно усовершенствовать, сделав отдельный ящик.
Наварили швеллер
В качестве подставки к швеллеру приварена защитная конструкция, которая закрывала кран. Экономно и вполне надежно.
Подставка сделана из защитной конструкции
На зольник и к топке закрепили дверки, ближе к задней части топки приварили патрубок дымохода (сначала приварили, потом внутри сваркой вырезали металл).
Дверки установлены на место
Провели пробную растопку. При наличии высокой трубы — более 2,5 метров тяга отличная.
Пробная растопка
Как показали испытания, парилка 2,5*2,5*2,3 м с 3°C до 25°C была нагрета меньше за полчаса (почти без утепления, так как баня не доделана). Дальше топить перестали, надо усовершенствовать: слишком жесткое тепло излучается.
Как сделать печь для бани из листового металла читайте тут.
Печь для бани из швеллера. Банные печи своими руками: изготавливаем из металла по чертежам
Для полноценного обустройства парной владелец должен выбрать качественную и эффективную банную печь. Благо, на современном рынке представлен огромный выбор таких агрегатов. Однако не у каждого владельца бани есть возможность или желание платить неизвестно кому деньги за то, что можно сделать самостоятельно.

Банные печи своими руками
Вашему вниманию предлагаются инструкции по изготовлению нескольких разных металлических печей. Одни из них собираются в буквальном смысле из подручных материалов, для сборки других нужно приложить более существенные усилия. Изучите доступные варианты, выберите подходящую вам конструкцию печи и приступайте к работе.

Банные печи своими руками
Требования к банной печи
При грамотном подходе к работе самодельная банная печь ни в чем не будет уступать своему аналогу заводского производства.

Печи для бани дровяные
При выборе типа печи нужно учитывать ключевые особенности самой бани . Однако, вне зависимости от выбранного типа варианта конструкции, банная печь должна соответствовать нескольким основным требованиям, актуальным для любых агрегатов подобного типа.

Банные печи своими руками
Среди наиболее важных требований нужно отметить следующие моменты:
- наличие необходимой тепловой мощности и возможности для ее регулирования;
- наличие парогенератора и аккумулятора тепла в конструкции. Эти приспособления позволят менять влажностный и температурный режимы, что сделает посещение парилки максимально комфортным;
- отсутствие (на практике – практически полное отсутствие) поверхностей, нагревающихся до температуры выше 150 градусов;
- наличие возможности регулирования конвекции.
В дополнение к перечисленным моментам, к каждой банной печи выдвигаются индивидуальные требования в отношении габаритов топки, показателей пожаробезопаснос

Банные печи из чугуна

Печи для бани

Печь в бане

Печь в бане
Компактная печь для бани

Компактная печь для бани
Конструкция печи
Цены на банные печи Sawo
Банные печи Sawo
Первый вариант
Главное преимущество этого варианта – отсутствие необходимости приобретения дорогостоящих материалов и предельная простота сборки.
Основными конструктивными элементами такой печи являются:
- корпус из металла;
- стенка из кирпича;
- дымоотводящая труба;
- водяной бак;
- топливник;
- решетка из чугуна;
- камни.
В нижней части агрегата оборудуется топка, в верхней — устанавливается водяной бак.

Компактная печь для бани
Первый шаг. Сварите корпус печи из листового металла. Рекомендованная толщина материала – от 0,5 см.
Оптимальные габариты такой печи – 700х700х1600 мм. При необходимости изменения размеров, пересчитывайте их с сохранением пропорций.
Второй шаг. Выложите топку печи огнеупорным кирпичом . Элементы кладки устанавливайте на ребро.
Третий шаг. Обложите каменку кирпичом.
Как обложить металлическую печь
Четвертый шаг. Уложите на стенки каменки основание для камней. В качестве основания можно использовать уголки, швеллеры и другие сортопрокатные изделия.
Укладывайте элементы основания так, чтобы в зазоры между ними могли нормально выходить образующиеся газы.
Пятый шаг. Сделайте боковую дверцу. Через нее вы будете лить воду на камни для создания пара.

Схема обкладки железной печи кирпичом
Шестой шаг. Сделайте бак для воды требуемого объема. Наиболее распространенный объем – 30 л. Оснастите бак съемной крышкой и зафиксируйте его над каменкой.
Седьмой шаг. Установите дымоотводящую трубу , пропустив ее через водяной бак. Вода в баке будет нагреваться теплом дымовой трубы.
Для повышения эффективности печи, можете обложить ее кирпичом.
Второй вариант

Конструкция печи
Такая печь нагревается в кратчайшее время при минимальном потреблении топлива.
В состав печи входят следующие элементы:
- металлический корпус;
- дымоход;
Порядок сборки практически не отличается от рассмотренного ранее. Вы свариваете корпус из металлического листа, устанавливаете боковую дверцу, монтируете дымоход и выполняете внутреннюю облицовку основных конструктивных элементов кирпичом. Стенки печи обкладывайте в полкирпича.
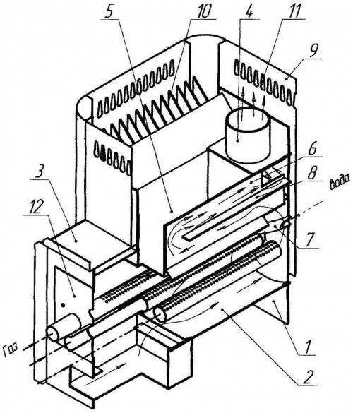
Печь для бани из старого котла. Основные составные части банного котла
Любая печь, в том числе банные котлы, состоит из следующих элементов:
- Топка , в которой происходит процесс горения дров, угля и других видов топлива. Она изготавливается из толстого металла. Это обусловлено тем, что топка имеет самую высокую тепловую нагрузку, металл недостаточной толщины быстро прогорит, а самодельный котел для бани придет в негодность. Дровяной котел для бани, а именно топка, должен быть оснащен колосниками. Через них зола от сгоревшего топлива просыпается в зольник. Толщина металла, из которого они изготавливаются, должна быть не меньше 0,5 сантиметра.
- Дымоход , по которому происходит отвод дыма. Решая, как сделать котел для бань, нужно как следует разобраться с принципом работы дымоходной системы и тщательно рассчитать ее размеры. Малейшая ошибка при монтаже дымохода может привести к недостаточной эффективности печи (тепло будет уходить в трубу) или неспособности справляться с отводом продуктов горения. Дымоход должен быть снабжен задвижкой, с помощью которой регулируется уровень тяги. В зимний период времени плотно закрытая задвижка в значительной мере способствует сохранности тепла в помещении. Труба дымохода может проходить через каменку или быть частью теплообменной системы.
- Зольник , предназначенный для скапливания золы. Этот элемент котла расположен под топкой. Помимо своей основной функции, он отвечает за подвод воздуха, который является составным компонентом процесса горения. Мастеря котел для бани своими руками из труб, следует тщательно рассчитать размеры зольника. Он должен быть способен вмещать в себя достаточное количество продуктов горения, чтобы его можно было чистить один раз в день.
- Каменка , перераспределяющая и отводящая тепловую энергию. Она представляет собой встроенную или навесную емкость, в которой уложены камни. Ее объем зависит от размеров котла и парилки. Маленькая каменка не сможет прогреть помещение, а большая будет нагреваться слишком долго. За это время котлы для воды успевают закипать, что становится причиной заполнения помещения водяным паром. При этом в парилке станет некомфортно. Размер каменки и водяного бака не должны отличаться. Можно сделать котел без каменки, но это не совсем удобно. Нагрев помещения будет осуществляться только от стенок котла. Кроме того, не получится «поддать парку».
- Бак для воды , являющийся частью теплообменной системы. Чугунные котлы для бани с баком для воды – это наиболее распространенное решение.
Печь буржуйка из газового баллона. Чем хороши печи буржуйки
Для начала было бы неплохо разобраться в особенностях и преимуществах печей буржуек. Главный плюс – это предельная простота. Если в наличии есть газовый баллон, то со сборкой можно будет управиться за считаные часы. Главное, иметь в наличии сварочный аппарат, обойтись без которого невозможно. Баллон, дверка, дымоходная труба – и превосходный кустарный отопительный агрегат готов принять в себя первые порции дров, чтобы подарить своим владельцам тепло.
Всеядность – печка из газового баллона подойдет для сжигания любых видов топлива. Это могут быть дрова, прессованные евродрова, деревянный мусор или пеллеты. Кидайте в нее все, что умеет воспламеняться и гореть – буржуйка нетребовательна к качеству топлива. Главное, дать ей разгореться, а уж после можно жечь в ее нутре все что угодно.
Доступность – буржуйка из баллона отличается предельной дешевизной. Вы можете использовать для нее новый баллон или достать откуда-нибудь старый. Если вы проживаете в сельской местности, где нет газовой магистрали, то проблем с поиском не возникнет. А если вы не сможете достать баллон, приспособьте под буржуйку листовое железо, старую бочку или любую другую подходящую емкость.
Прочие особенности и плюсы буржуек, собранных из газовых баллонов:

Приспособить под буржуйку можно любой потрепанный жизнью, но мало-мальски целый газовый баллон.
- Универсальность в применении – если вам нужна печь для бани или в гараж, воспользуйтесь печкой-буржуйкой. Ее изготовление не займет много времени, а вы получите в свое распоряжение отличный отопительный агрегат;
- Буржуйка из баллона не нуждается в специальном обслуживании – необходимо лишь периодически очищать зольник и проверять состояние дымохода;
- Простота в монтаже – просто смонтируйте печку на любом подходящем основании или приварите к ней металлические ножки;
- Легкость в модернизации – печь из баллона можно сделать более эффективной, если воспользоваться некоторыми техническими уловками;
- Сравнительно высокая теплоотдача – тепловая мощность, в зависимости от объема печки, составит от 2 до 7 кВт (отапливаемая площадь от 20 до 70 кв. м);
- Печь из баллона отличается стабильностью работы в любых условиях – нужно лишь соорудить приличный дымоход высотой не менее 3-4 метров;
- Легкая самостоятельная сборка – если вы умеете работать с инструментом, то уже через 2-3 часа работы в вашем распоряжении появится самая эффективная буржуйка из газового баллона;
- Несколько модификаций на выбор потребителей – корпус печки может быть вертикальным или горизонтальным, большого или малого объема.
Как сделать печь в баню из металла. Металлическая печь для бани своими руками: особенности печи из металла, проектирование и устройство, правила сооружения и отделки
Без печи русская баня перестает быть баней по умолчанию. Поэтому тематическое изделие не просто служит источником огня, оно также символизирует отечественную парную купальню.
Вопрос в том, из чего возводить печь – из кирпича или металла? Если ставка сделана на последний материал, то будущий пользователь вместо того чтобы купить металлическую печь для бани, может собрать ее самостоятельно. Соответствующий проект не требует много времени и средств.

Особенности банной металлической печи
Тематическое устройство в готовом виде представляет собой компактный источник огня, выполненный из низкоуглеродистой стали. Поэтому по сравнению с кирпичной печью металлический аналог:
- Требует минимум деталей и расходных материалов для сборки;
- Быстро собирается из готовых деталей;
- Не занимает много места;
- Быстро нагревается.

Однако металлическая печь не лишена недостатков: хоть стенки конструкции нагреваются меньше чем за час, они точно так же быстро остывают. Это делает конструкцию пригодной лишь для небольших бань площадью 8-10 кв.м.

Причем прежде чем устраивать металлическую печь, придется отделать деревянные стены огнестойким кирпичом или металлическим экраном, предварительно проложив минеральную вату между основой и защитой. И вообще металлический очаг лучше устраивать на 0,5-метровом расстоянии от пиломатериала.

Мощность металлической печи
Источник огня из металла в зависимости от размеров топки, толщины стен и прочих показателей вырабатывает определенную температуру – до 50 0С и выше. Поэтому металлическая печь бывает:
- Горячего нагрева – устройство нагревает воздух выше 50 0С;
- Холодного нагрева – нагрев воздуха происходит до 50 0С.

Последний вариант актуален, если баней будет пользоваться человек с больной сердечно-сосудистой системой или если сама баня очень маленькая. Первый вариант – традиционный.

Конструкция металлической печи
В отличие от кирпичной печи металлический источник жара достаточно универсален. Эта универсальность во многом проявляется за счет разнообразия конструкций:
- Закрытые модели – очень компактные, предусматривают решетку для укладки камней, а также внутреннюю камеру для заполнения огнестойким материалом, способствующим теплостойкости;
- Открытые аналоги – выделяются емкостью для набора воды и открытым доступом к каменке;
- Комбинированные устройства – сочетают в себе элементы двух предыдущих образцов.

Также к комбинированным печам часто относятся модели, работающие за счет газа или электричества. Соответственно, угольные и дровяные печи – преимущественно безопасные закрытые и удобные открытые модели.

Проектирование металлической печи
Тематическое устройство собирается на месте из уже готовых деталей. Представить, как будет выглядеть металлическая печь для бани с баком поможет чертеж, в котором обязательно надо соблюсти:
- Топку – для сгорания топлива (размеры подбираются в зависимости от площади бани, но высота и ширина отсека практически одинаковые);
- Зольник – для сбора золы (устраивается в самом низу и имеет выдвижной ящик для доступа к отходам);
- Каменку – для нагрева камней (отсек находится над топкой, причем бывает закрытым или открытым);
- Бак – для сбора воды (емкость располагается выше каменки или топки);
- Дымоход – для нагрева воды и отвода дыма (труба начинается с топки и выходит наружу, т.е. за пределы кровли).

Соответствующие отделы завершаются дверцами для закладки топлива и чистки топки, а также дополняются трубопроводом с соответствующими вентилями для подачи воды и улучшения воздушной тяги.

Устройство трубы
Хоть сгорание топлива происходит внутри каменки, без трубы металлическая печь наполнит внутреннее пространство гарью. Поэтому необходимость отвода дыма всегда актуальна для бани. Чтобы дымоход нагревал воду, должна быть тяга, которой способствуют:
- Вывод дымохода наружу таким образом, чтобы он возвышался над самой верхней точкой конструкции;
- Отсутствие поблизости высоких деревьев и прочих характерных объектов;
- Зонтик на конце трубы (дефлектор), который позволяет последней не намокать;
- Большой диаметр трубы – не менее 100 мм.

Причем труба может проходить сквозь бак для сбора воды, а сама емкость – находиться на чердаке. Главное, чтобы отверстия для дымохода на каждом уровне предусматривали огнеупорную базальтовую обшивку. Участок кровли с отверстием для вывода дымохода отделывается листом металла.
Если чертеж металлической печи для бани не предусматривает обшивку каменки стальными листами (конструкция идет открытой), то камни накладываются впритык к трубе.

В этом случае последнюю лучше устраивать в центре, чтобы как можно больше камней контактировало с горячей магистралью. В закрытых печах труба может располагаться как в центре, так и сбоку.

Печь для маленькой бани. Как правильно выбрать?
Сначала нужно разобраться с мощностью печки для парной.
Принимаем для примера размеры бани:
- ширина – 2 м;
- высота – 2,2 м;
- длина 3 м.
В этом случае общая площадь высчитывается перемножением длины и ширины помещения. В нашем случае, она равна 6м2. Но нам важен объем для расчета мощности. Поэтому потребуется умножить площадь на высоту стен – 6*2,2= 13,2 м3.
Теперь важно подсчитать возможные теплопотери. Для этого определив общую площадь окон, дверей умножаем это значение на 1,2
В нашей парной одна печь и окно в предбаннике. Поэтому потери тепла принимаем равными 2,3 м3. Складываем общий объем и объем потерь – 15, 3 м3.
Дальше необходимо определить мощность с учетом уровня поглощения тепла. Принимаем для расчета, что наша баня сделана из деревянных бревен. В этом случае перемножаем полученный объем и коэффициент, для бревенчатых стен он равен 1,6. 15,3*1,6=24,48. Округляем в большую сторону и получаем, что для нашей парной из бревен с одной дверью и окном потребуется приобрести печку, мощностью 25 кВт.
Это примерный и грубый расчет. При выборе печи для бани необходимо обратить внимание еще на несколько факторов.
Помимо мощности при выборе мини – печи важно обратить внимание еще на несколько факторов;
Вид сжигаемого топлива. Отечественные и зарубежные производители выпускают печи для небольших бань, работающие на разных видах топлива. В эксплуатации самый дорогой – электрокалориферы. Разработаны даже печи, работающие на солярке или на угле
Но для российских любителей пара и веника, самыми популярными остаются именно печи, работающие на дровах.Следует обратить внимание на устройство топочного отделения. Можно приобрести конструкцию с возможностью вынести топку в отдельной помещение
Для мини бань – это самый оптимальный вариант, но потребующий больших затрат при покупке. Но в этом варианте есть одно неоспоримое преимущество – в парной не потребуется сорить и складывать дрова.Узнайте вид засыпки и устройства каменки. Они могут быть закрытыми или открытыми. Наиболее востребованы у консерваторов конечно открытые каменки, но набирают популярность именно закрытые отделения с камнями.
Печь из газового баллона. Особенности и разновидности самодельных печек из газового баллона
Все твердотопливные печи из газового баллона имеют общие элементы конструкции:
- Корпус, в котором прорезаны отверстия для дверки, поддувала и вытяжной трубы.
- Поддувало.
- Вытяжная труба, снабженная дроссельной заслонкой.
- Решетку колосника, расположенную невысоко над днищем печки. На ней размещается топливо и происходит его сгорание.
- Внутренние стенки, формирующие поток продуктов сгорания.
- Ножки.

Конструкция буржуйки
Через дверку происходит загрузка топлива и удаление золы и шлаков из подколосникового пространства. Через поддувало в камеру сгорания поступает поток воздуха и осуществляется регулировка режима горения. Поддувало делают конструктивной частью дверки либо выполняют в виде отдельного отверстия с заслонкой.
В вытяжную трубу врезают заслонку дроссельного типа, также регулирующую режим горения.
Печи из газового баллона выполняют в вертикальном и горизонтальном вариантах. Горизонтальная печь проще в исполнении, но занимает много места. Вертикальную можно разместить в любом углу помещения, у нее существенно лучше тяга и эффективность сгорания топлива.
В печах на жидком топливе (их также называют масляными или капельными) вместо колосника закреплена горелка той или иной конструкции и смонтирован подводящий топливо трубопровод. Дверка намного меньше — она нужна не для загрузки топлива и выгребания золы и шлаков, а лишь регулировки потока воздуха, а также для монтажа и обслуживания горелки.
К базовой конфигурации печи из газового баллона домашний мастер может добавить различные усовершенствования: ограждение, предохраняющее от ожогов, конфорки для разогрева и приготовления пищи и напитков, вешалки для сушки одежды и обуви и т.п.
Проверенная печь в баню своими руками. Конструктивные особенности и разновидности печей
Каждая печь имеет свои отличия в характеристиках. Виды печей:
Печь для бани на дровах. Это самый популярный вариант печи. Она состоит из топки, дымохода, зольника и колосников. Изготавливают такие печи из металла или камня. Они так часто становятся выбором среди поклонников бани, потому что имеют преимущества: даже небольшие габариты устройства могут дать достаточное количество тепла для прогревания большой комнаты. Такие печи используют даже когда на объекте нет газоснабжения. Этот вид печи самый простой в исполнении. Также она обладает успокаивающим эффектом — звуком потрескивающих дров.

Чугунная печь. Они, в свою очередь, делятся на печи временного и постоянного горения. В первом случае для топки используются дрова. Пользоваться баней можно когда все дрова сгорят. Для печи постоянного горения в качестве топлива применяют жидкое топливо или газ. При втором варианте парная пригодна для использования уже когда печь только топится. Такой вид печки прогреет комнаты быстрее и распределит пар более равномерно по всей площади помещения.

Электрическая печь. Бывает в разных размерах, обладает разными характеристиками по эффективности и мощности. Как и предыдущая, быстро нагревается и служит длительное время. Плюс в том, что электрической печи не нужен дымоход. Еще они не затратны.

Печь для финской сауны. Они дают сухой пар в сочетании с высокой температурой. Такие печи бывают как в электрическом варианте, так и используя в качестве топлива дрова. Такую печь можно сделать своими руками. Потребуются лишь специальные чертежи и инструкция.

Для того, чтобы использовать печь на максимум, желательно знать некоторые особенности. К примеру, печь для бани на дровах можно также топить и другими твердыми видами топлива. Допускается уголь и брикеты. Если правильно подойти к задаче как сделать печь для бани, то она будет долго служить и радовать надежностью работы.

Печи из чугуна подключаются к центральному газоснабжению для работы. Использование газовых баллонов в этих целях не рекомендуется, ввиду повышенной взрывоопасности.

Печи, которые для горения используют жидкость, выделяют специфический запах.
Останавливаясь в выборе на электропечи, то предварительно лучше проверить проводку. Такие печи не очень экономны для больших помещений, что также стоит учесть.
Стоимость самой сборки печи будет зависеть от многих параметров, в первую очередь от ее размеров.