Порядовка печи для бани. Начало кладки
- Порядовка печи для бани. Начало кладки
- Проект печи для бани из металла. Металлическая печь для бани своими руками: особенности печи из металла, проектирование и устройство, правила сооружения и отделки
- Кирпичная печь для бани с топкой из предбанника порядовка. Проекты кирпичных печей для бани
- Кирпичная печь для бани по-белому. Классификация печей для бани
Порядовка печи для бани. Начало кладки

Порядовка банной печи начинается со сплошного ряда
2 ряд. Дверца поддувала обматывается асбестовым шнуром и вмазывается. Для закрепления применяется проволока.

Установка дверок — фото
3-4 ряд. Выкладываются согласно схеме, перекрывая высоту дверцы. Если форма кирпичей этому мешает, то они обрезаются болгаркой.
5 ряд. Закладывается колосниковая решетка. Она не должна выступать над кирпичами, для этого в них проделываются пазы.
Инструкция к порядовке говорит о том, что нельзя допускать соприкосновения решетки со стенками печи, при нагревании чугун может расшириться и разрушить кирпич. При необходимости его обрезают специальным инструментом.

Закладка колосника
6-8 ряд. Установка топочной дверцы и бака для воды, если он предусмотрен в чертеже. Опираться он должен на боковые стенки.
Перед этим он обматываются асбестовым шнуром в 2 слоя. Дверцу закрепляют в порядовке с помощью проволоки.
9 и последующие ряды перекрывают бак для горячей воды.
Далее укладывается стальная или чугунная плита, отделяющая одну зону от другой. Она должна заходить на стенки кирпича на 25 мм.

Установка чугунной плиты
Следующий этап — устанавливается емкость для камней. Ее лучше купить готовую, цена зависит от размеров.
14-15 ряды выполняют из половинок кирпичей, располагают их под углом. Это основание для кладки разделительной стенки.
Далее кладка идет в соответствие порядовки печей для бани, до окончания формирования топки. После чего приступают к монтажу дымохода, примерно с 20-23 ряда.
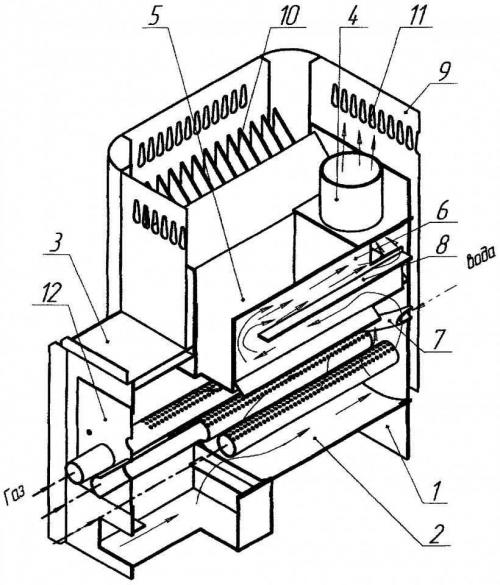
Проект печи для бани из металла. Металлическая печь для бани своими руками: особенности печи из металла, проектирование и устройство, правила сооружения и отделки
Без печи русская баня перестает быть баней по умолчанию. Поэтому тематическое изделие не просто служит источником огня, оно также символизирует отечественную парную купальню.
Вопрос в том, из чего возводить печь – из кирпича или металла? Если ставка сделана на последний материал, то будущий пользователь вместо того чтобы купить металлическую печь для бани, может собрать ее самостоятельно. Соответствующий проект не требует много времени и средств.

Особенности банной металлической печи
Тематическое устройство в готовом виде представляет собой компактный источник огня, выполненный из низкоуглеродистой стали. Поэтому по сравнению с кирпичной печью металлический аналог:
- Требует минимум деталей и расходных материалов для сборки;
- Быстро собирается из готовых деталей;
- Не занимает много места;
- Быстро нагревается.

Однако металлическая печь не лишена недостатков: хоть стенки конструкции нагреваются меньше чем за час, они точно так же быстро остывают. Это делает конструкцию пригодной лишь для небольших бань площадью 8-10 кв.м.

Причем прежде чем устраивать металлическую печь, придется отделать деревянные стены огнестойким кирпичом или металлическим экраном, предварительно проложив минеральную вату между основой и защитой. И вообще металлический очаг лучше устраивать на 0,5-метровом расстоянии от пиломатериала.

Мощность металлической печи
Источник огня из металла в зависимости от размеров топки, толщины стен и прочих показателей вырабатывает определенную температуру – до 50 0С и выше. Поэтому металлическая печь бывает:
- Горячего нагрева – устройство нагревает воздух выше 50 0С;
- Холодного нагрева – нагрев воздуха происходит до 50 0С.

Последний вариант актуален, если баней будет пользоваться человек с больной сердечно-сосудистой системой или если сама баня очень маленькая. Первый вариант – традиционный.

Конструкция металлической печи
В отличие от кирпичной печи металлический источник жара достаточно универсален. Эта универсальность во многом проявляется за счет разнообразия конструкций:
- Закрытые модели – очень компактные, предусматривают решетку для укладки камней, а также внутреннюю камеру для заполнения огнестойким материалом, способствующим теплостойкости;
- Открытые аналоги – выделяются емкостью для набора воды и открытым доступом к каменке;
- Комбинированные устройства – сочетают в себе элементы двух предыдущих образцов.

Также к комбинированным печам часто относятся модели, работающие за счет газа или электричества. Соответственно, угольные и дровяные печи – преимущественно безопасные закрытые и удобные открытые модели.

Проектирование металлической печи
Тематическое устройство собирается на месте из уже готовых деталей. Представить, как будет выглядеть металлическая печь для бани с баком поможет чертеж, в котором обязательно надо соблюсти:
- Топку – для сгорания топлива (размеры подбираются в зависимости от площади бани, но высота и ширина отсека практически одинаковые);
- Зольник – для сбора золы (устраивается в самом низу и имеет выдвижной ящик для доступа к отходам);
- Каменку – для нагрева камней (отсек находится над топкой, причем бывает закрытым или открытым);
- Бак – для сбора воды (емкость располагается выше каменки или топки);
- Дымоход – для нагрева воды и отвода дыма (труба начинается с топки и выходит наружу, т.е. за пределы кровли).

Соответствующие отделы завершаются дверцами для закладки топлива и чистки топки, а также дополняются трубопроводом с соответствующими вентилями для подачи воды и улучшения воздушной тяги.

Устройство трубы
Хоть сгорание топлива происходит внутри каменки, без трубы металлическая печь наполнит внутреннее пространство гарью. Поэтому необходимость отвода дыма всегда актуальна для бани. Чтобы дымоход нагревал воду, должна быть тяга, которой способствуют:
- Вывод дымохода наружу таким образом, чтобы он возвышался над самой верхней точкой конструкции;
- Отсутствие поблизости высоких деревьев и прочих характерных объектов;
- Зонтик на конце трубы (дефлектор), который позволяет последней не намокать;
- Большой диаметр трубы – не менее 100 мм.

Причем труба может проходить сквозь бак для сбора воды, а сама емкость – находиться на чердаке. Главное, чтобы отверстия для дымохода на каждом уровне предусматривали огнеупорную базальтовую обшивку. Участок кровли с отверстием для вывода дымохода отделывается листом металла.
Если чертеж металлической печи для бани не предусматривает обшивку каменки стальными листами (конструкция идет открытой), то камни накладываются впритык к трубе.

В этом случае последнюю лучше устраивать в центре, чтобы как можно больше камней контактировало с горячей магистралью. В закрытых печах труба может располагаться как в центре, так и сбоку.

Кирпичная печь для бани с топкой из предбанника порядовка. Проекты кирпичных печей для бани
Очень редко можно найти готовый проект кирпичной печи, который устраивает на 100%. Приходится дорабатывать и переделывать готовую порядовку. В этом случае вносите необходимые коррективы, детально прорисовывая каждый ряд кирпичей, и исправленную порядовку показываете специалисту.

Проект кирпичной печи для бани
Даже если были внесены даже незначительные изменения, консультация крайне желательна. Печь в бане должна быть безопасна, потому очень важно мнение грамотного специалиста.
Корректируя проект нужно помнить несколько особенностей кладки кирпичных печей:
- Топливник в каменках обычно делают большого размера и для обеспечения нормального процесса горения необходимо обеспечить хороший приток воздуха. Поэтому поддувало и поддувальная дверца должны также иметь приличные размеры.
- Чтобы обеспечить хороший приток воздуха в топливную камеру колосники лучше укладывать вдоль поддувального канала. Но найти колосник требуемого размера зачастую проблематично, потому часто приходится устанавливать несколько решеток меньшей длины поперек поддувала.
- Если каменка находится над топкой, высота топливника должна быть не меньше 55см. Оптимальный вариант – 8 или 9 рядов кирпича. В этом случае камни будут нагреваться до высоких температур. Уменьшение высоты топливника приведет не к ускорению нагрева, а к понижению температуры камней и скоплению в промежутках между ними сажи.
- Если деревянные конструкции не защищены огнеупорными материалами, то расстояние до кирпичной печи не может быть меньше 30 см.
- Перед тем, как укладывать кирпичи на глиняно-песчаный раствор (информация о растворе размещена в статье Материалы для кирпичной банной печи ), выложите их согласно плану насухо, начиная с одного из углов, подберите кирпичи подходящего размера, чтобы ширина швов не превышала 5мм. И лишь затем укладывайте на раствор.
- После укладки каждого ряда его проверяют на вертикальность и горизонтальность при помощи строительного уровня. Точность соблюдения углов можно проверить установленными отвесами. Корректируйте даже минимальные отклонения.
- При установке дверец кладку начинают от нее, плотно фиксируя. Все дверцы в тех местах, где они прилегают к кирпичам, предварительно обматывают асбестовым шнуром или полосой асбеста. Фиксируются они на месте при помощи проволоки или стальных полос, закрепляемых в швах. Для более жесткой фиксации в кирпичах под проволоку прорезают канавки.
- Особое внимание нужно уделить месту прохода трубы от кирпичной печи через потолок, крышу или стену. В этом месте трубу обязательно изолируют базальтовой ватой или другими теплоизоляторами, переносящими высокие температуры.
Кирпичная печь для бани по-белому. Классификация печей для бани
Дровяные кирпичные печи для бани обустраиваются по одной из следующих схем:
- Печь «по-черному» . Эффективность такой конструкции проверена веками – такие печи издавна использовались в деревнях. За счет отсутствия дымохода достигается максимально насыщенный пар и аромат. Проблема заключается в том, что нужно каждый раз дожидаться, пока топливо прогорит до конца.
- Печь «по-серому» . Такая кирпичная банная печь оборудуется дымоходом, и сразу же появляются преимущества в виде большей экономичности и скорости прогрева бани. Недостаток все тот же – сажа в немалом количестве остается на камнях, и приходится ждать до тех пор, пока дрова не выгорят полностью.
- Печь «по-белому» . Достоинства подобных печей очевидны – полное отсутствие загрязнений в помещении и очень хорошее сохранение тепла. Правда, есть и минус – на прогрев такой печи может уходить до 12 часов, что существенно снижает удобство использования данного оборудования. Все дело в нагреве камней за счет металлической плиты перекрытия, что естественным образом замедляет прогревание.
- Печь с плитой . Для бани такое оборудование подходит очень хорошо. В такой конструкции присутствует бак, установленный на чугунной плите, как и банные камни. Плиты накрыты не полностью, что несколько ускоряет прогрев помещения. Бак с трех сторон закрывается кирпичными стенками, за счет чего удается поддерживать высокую температуру воды. В традиционной конструкции бак устанавливается поверх топки, а камни укладываются над дымоходом, но иногда камни с баком располагаются в другом порядке.